Curiosii for ever!: Car repair manuals for everyone.

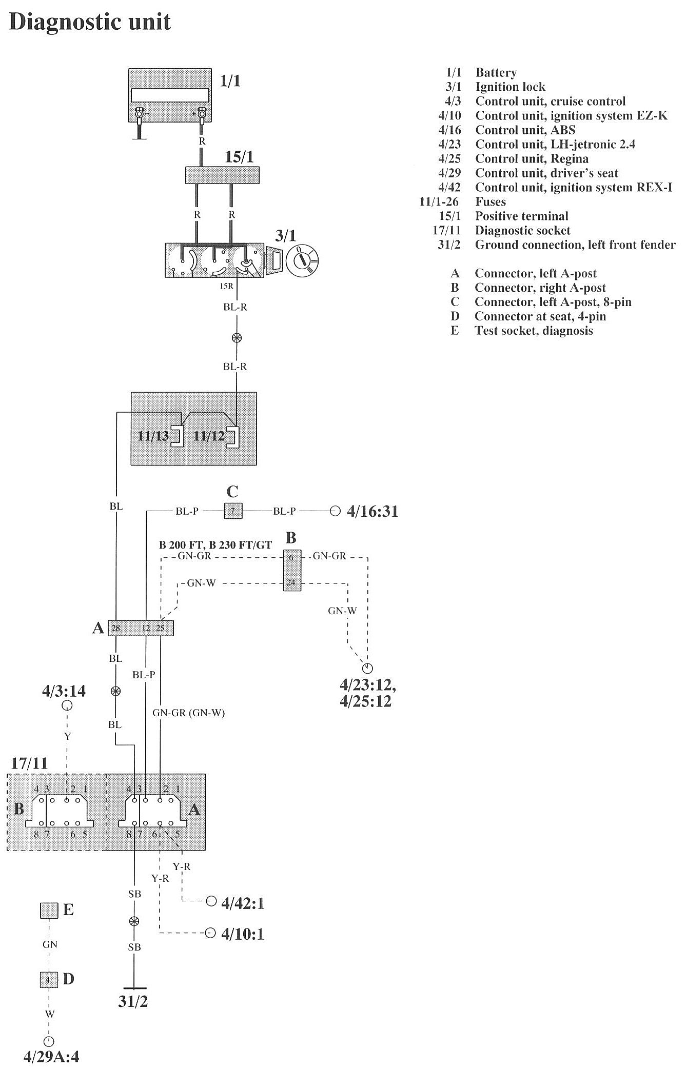
Diagnostic Unit

Wiring Diagrams:




Component / Connector Locations:




LEGEND
1/1 Battery
3/1 Ignition lock
4/3 Control unit, cruise control
4/10 Control unit, ignition system EZ-K
4/16 Control unit, ABS
4/23 Control unit, LH-jetronic 2.4
4/25 Control unit, Regina
4/29 Control unit, driver's seat
4/42 Control unit, ignition system REX.I

11/1-26 Fuses
15/1 Positive terminal
17/11 Diagnostic socket
31/2 Ground connection, left front fender