Curiosii for ever!
: Car repair manuals for everyone.
Home
>>
Volvo
>>
1992
>>
940 L4-2.3L SOHC VIN 88 B230F
>>
Repair and Diagnosis
>>
Powertrain Management
>>
Computers and Control Systems
>>
Engine Control Module
>>
Technical Service Bulletins
>>
All Technical Service Bulletins
>>
Ignition and Fuel Injection Systems - Modifications
>>
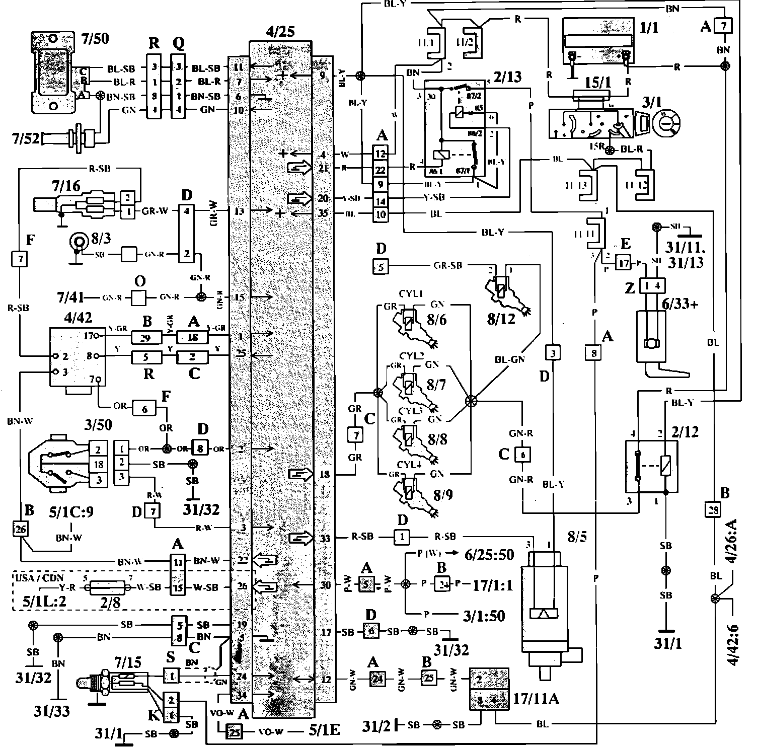
Regina Fuel Injection System (B 230 F) - Wiring Diagram
Regina Fuel Injection System (B 230 F) - Wiring Diagram