Curiosii for ever!: Car repair manuals for everyone.

MFI #7 Mass Air Flow Sensor Signal Too High



TF. MFI#7

MFI#7 Mass air flow (MAF) sensor signal too high

Fault Message Conditions:

A fault message will be logged when voltage is above 6 V.

Causes of fault:








Short circuit in the wiring between MFI#7 and the MAF sensor.

Poor connection of the MAF sensor to GND.

Short circuit in the MAF sensor.

Fault symptoms:

The engine runs rough. Uneven idling.

TF1

Monitor Test

-Start the engine.




-Check the load signal in Monitor Test.

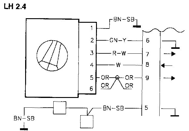
LH 2.4: Load should be approx. 2.3 V. when the engine is unloaded and idling.

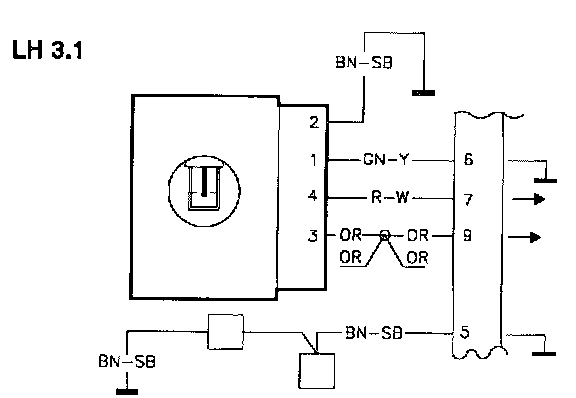
LH 3.1: Load should be approx. 3.5 V. when the engine is unloaded and idling.

If this value Is OK

intermittent fault.

-Check the MAF sensor GND point and its wiring for loose contacts.

-Check the wiring between MFI#7 and the MAF sensor for intermittent shorting.

If the reading Is incorrect

-Check the MAF sensor GND point and its wiring for breaks in accordance with NA2. Checking the Wiring

-Check the wiring between MFI#7 and the MAF sensor for short circuits in accordance with NA4. Checking the Wiring