Curiosii for ever!: Car repair manuals for everyone.

MFI #20 No Pump Relay Control Signal



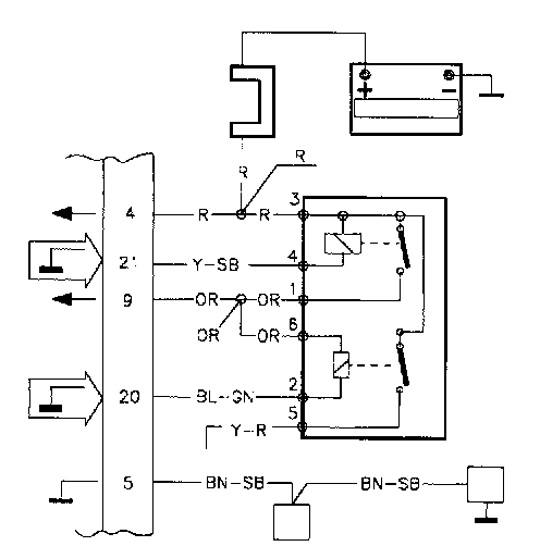
TM. MFI#20

MFI#20 No pump relay control signal

Fault Message Conditions

The fault message is logged if voltage is above 3 V.

Causes of fault:




Break between MFI#9 and the system relay.

System relay defective.

Fault symptoms:

The engine will not start

If the fault is intermittent the engine will stop or run rough.

TM1

Volvo ST, Test Box




-Disconnect the ST in accordance with QA2. Connecting The Volvo Scan Tool (ST)

-Connect the test box to MFI and check the GND points in accordance with P1-P2.

-Continue with Checking the power supply TM2.

TM2

Checking The Power Supply

-Connect the control module to the test box.

-Re-install system fuse.

Connect a voltmeter between MFI#20 and MFI#5.




-Try to start the engine.

The voltmeter should read approx. 1 V. when the starter motor is operating or the engine running.

If this value Is OK:

-Check the wiring to MFI#9 STM4.

If the reading is incorrect:

-Test the system relay TM3.

TM3

Testing The System Relay

-Try using a new system relay.

Connect a voltmeter between MFI#20 and MFI#5.




-Try starting the engine.

The voltmeter should read approx. 1 V when starter motor is operating or the engine running.

If this value is OK:

-The system relay was sluggish.

If the value still deviates:

-Check the wiring to MFI#9 TM4.

TM4

Checking The Wiring To MFI#9

-Disconnect the IAC valve to isolate MFI#33.




-Ignition on.

Connect a voltmeter between MFI#9 and MFI#5. The voltmeter should read battery voltage.

If this value is OK:

-Check for loose contacts in the wiring TM5.

If the reading deviates:

-Check the wiring between MFI#9 and the system relay for breaks in accordance with NA2. Checking the Wiring

TM5

Checking For Loose Contacts In The Wiring

-The IAC valve disconnected.




-Ignition on.

Connect a voltmeter between MFI#9 and MFI#5. The voltmeter should read battery voltage Check that the voltage does not drop to 0 when carrying out a Check for loose contacts in accordance with NA5. Checking the Wiring

If the reading deviates:

Intermittent break:

-Repair the wiring.

If this value Is OK

-Try using a new control module.