Curiosii for ever!: Car repair manuals for everyone.

MFI #13 ECT Sensor Signal Absent



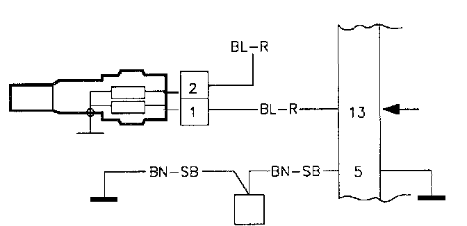
TK. MFI#13

MFI#13 Engine coolant temperature (ECT) sensor signal absent

Fault Message Conditions:

The fault message is logged if voltage is above 4.5 V.

Causes of fault:




Break in the wiring between MFI#1 3 and the ECT sensor. Break in the ECT sensor.

Fault symptoms:

Engine difficult to start when warm.

NOTE: When checking wiring, the ST should be disconnected.

TK1

Monitor Test

-Warm up the engine




Check the engine temperature in Monitor Test. When the engine is warm temperature should be approx. 90°C (194cF).

If the temperature Is OK:

Intermittent fault.

-Check the connections for loose contacts.

If the temperature Is under 0°C (32°F):

-Check the sensor resistance TK2.

If the temperature is wrong in other ways:

-Check the connections for contact resistance.

TK2

Checking The Sensor Resistance




-Ignition off.

Connect an ohmmeter between terminal 1 on the ECT sensor and GND.




The ohmmeter reading should agree with the graph.

If this value Is OK:

-Check the wiring between MFI#1 3 and the sensor for breaks in accordance with NA2. Checking the Wiring

If the reading Is Incorrect:

-Try using a new ECT