Curiosii for ever!: Car repair manuals for everyone.

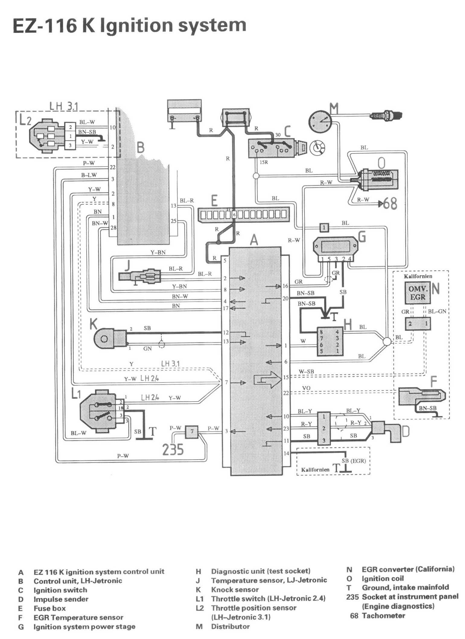
Ignition System







LEGEND
A EZ-116K ignition system control unit
B Control unit. LH-jetronic
C Ignition switch
D Impulse sender
E Fusebox
F EGR Temperature sensor
G Ignition system power stage
H Diagnostic unit (test socket)
J Temperature sensor. LH-Jetronic
K Knock sensor
L1 Throttle switch (LH-Jetronic 2.4)
L2 Throttle position sensor (LH-Jetronic 3.1)
M Distributor
N EGR converter (California)
O Ignition coil
T Ground, intake manifold

235 Socket at instrument panel (Engine diagnostics)

68 Tachometer