Curiosii for ever!: Car repair manuals for everyone.

Data Link Connector: Testing and Inspection



NB. CHECKING DATA LINK CONNECTOR (DLC)

NB1

Checking LED




-Ignition on.

-Press the DLC button.

The LED should light when the button is down.

If the LED does not light

-Check battery power NB2.

If the LED lights

-Check the power supply from the control module NB4.

NB2

Checking The Battery Power




-Ignition on.

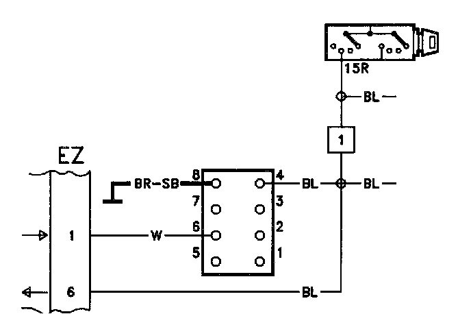
Connect a voltmeter between terminal 4 in the connector and GND.

The voltmeter should read battery voltage.

If this value is OK

-Check the GND point NB3.

If the reading is incorrect

-Check the fuse and the wiring to it for breaks.

NB3

Checking The GND Point




-Ignition off.

Connect an ohmmeter between terminal 8 in the connector and GND.

The ohmmeter should read approx. 0 OHMS.

If this value is OK

-Try using a new DLC.

If the reading is incorrect

-Check the GND point and the wiring to it for breaks.

NB4

Checking The Power Supply From The Control Module




-Ignition on.

Connect a voltmeter between terminal 2 in the connector and GND.

Connect a voltmeter between terminal 6 in the connector and GND.

The voltmeter should read more than 5 volts in both cases.

If the readings are OK

-Replace the DLC

If the reading Is Incorrect

-Check the wiring between the control module and the DLC for breaks or grounding.