Curiosii for ever!: Car repair manuals for everyone.

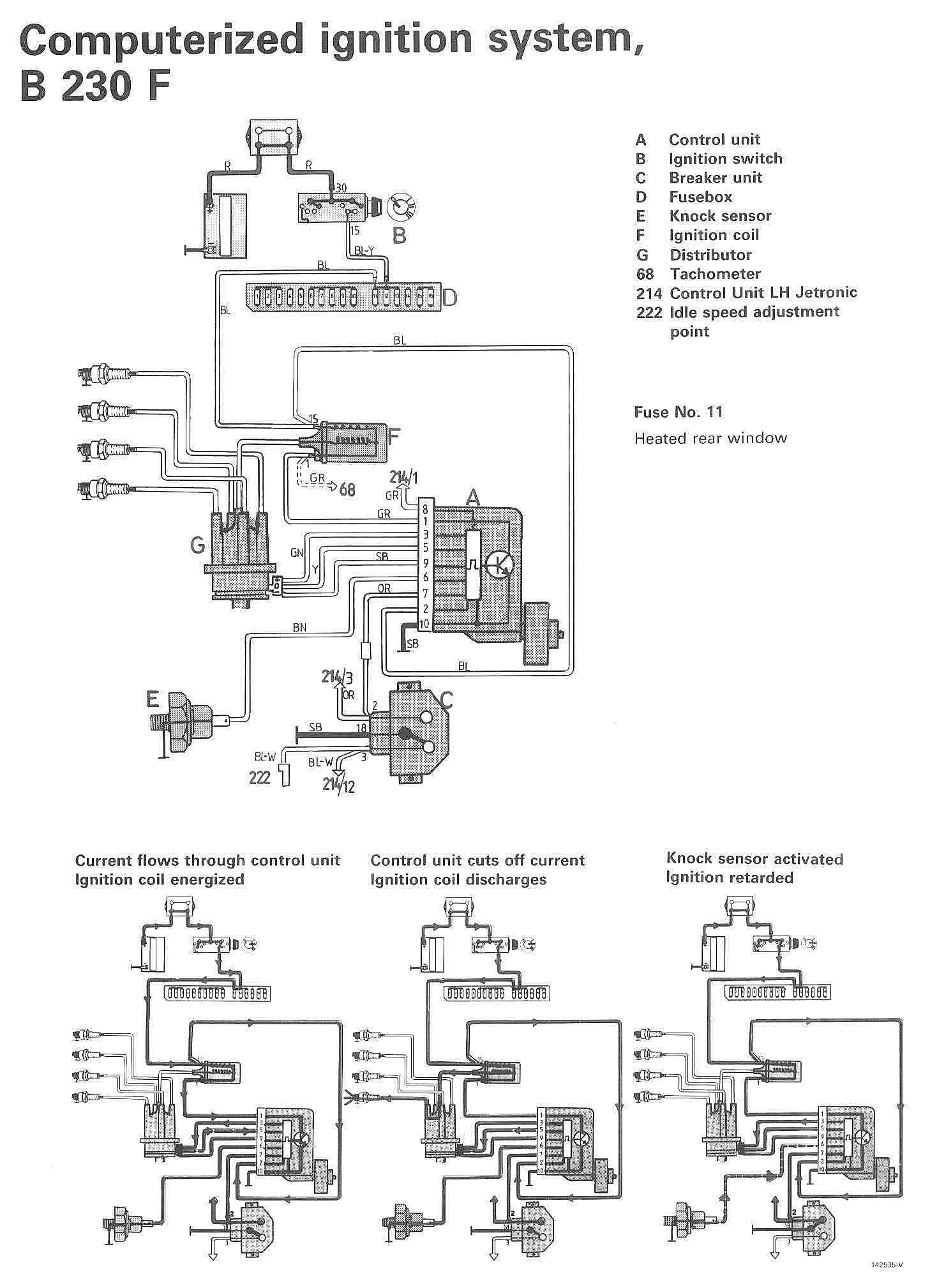
Computerized Ignition System, B 230 F

Locations/Connector Views:




Wiring Diagrams:




LEGEND
A Control unit
B Ignition switch
C Breaker unit
D Fusebox
E Knock sensor
F Ignition coil
G Distributor
68 Tachometer
214 Control Unit LH Jetronic
222 Idle speed adjustment point