Curiosii for ever!: Car repair manuals for everyone.

Checking Distributor and Microswitch







CHECKING DISTRIBUTOR CAP
- Check for:
^ dirt, cracks
^ tracking, burnt terminals.

NOTE: Center terminal is not spring loaded.





CHECKING ROTOR
- Two types of rotor are in use. Use only new type for replacement.





CHECKING HALL PICK-UP WIRE
Make sure that the wires cannot be damaged by the rotor.





CHECKING/ADJUSTING BASIC IGNITION SETTING
- Before checking ignition setting check function of microswitch.





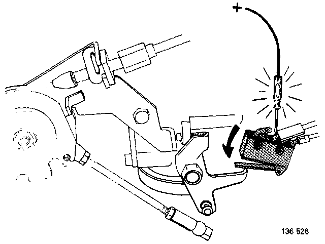
CHECKING MICROSWITCH ON B21F-CI 1982
- Connect a test lamp between battery (+) and terminal 2 (yellow wire) on microswitch.
- Lamp should be off when engine is idling. If lamp is on, adjust microswitch as described below.
- Turn throttle pulley and check that lamp lights.





ADJUSTING MICROSWITCH
- Place a 0.4 mm feeler gauge between adjustment screw and lever.
- Unscrew microswitch retaining screws and turn switch until lamp lights.
- Retighten screws.

CHECKING
- Place a 0.2 mm feeler gauge between adjustment screw and lever.
- Lamp should light.
- Remove feeler gauge and insert a 0.4 mm feeler gauge.
- Lamp should be off.





CHECKING MICROSWITCH ON B21F-LH 1982
- Disconnect connector from vacuum switch. Connect a test lamp between battery (+) and orange wire on switch.
- Start engine.
- Test lamp should light with engine idling.
- Increase engine rpm and check that light goes out.
- If not, check hose to vacuum switch.
- If intact, replace vacuum switch.





CHECK THAT BASIC IGNITION SETTING IS 12° +/- 2° AT 12.5 R/S (750 RPM)
- Warm engine.
- Air conditioning disconnected as applicable.
- Increase engine speed to 2,000 rpm for 5 seconds.
- Let the engine idle and check idle quality.
- Make sure the idle is stable and within specifications as variations could affect the timing.
- Check/adjust ignition timing. Adjust ignition setting by turning distributor.





CHECK CENTRIFUGAL ADVANCE
- Disconnect vacuum hose from distributor.
- Run engine at 42 r/s (2,500 rpm) and check that ignition advance is 22 - 30° before T.D.C.
- If incorrect, replace control unit.





CHECK VACUUM ADVANCE
- Run engine at 25 r/s (1,500 rpm).
- Disconnect vacuum hose. Record ignition advance. Reconnect hose and check that advance alters.
- If not, check for vacuum at control unit (check suction at hose).
- If vacuum, but no advance, replace control unit.





CHECK DWELL ANGLE
Read off dwell angle at idle.
Dwell angle should be 36 - 38°.
Increase engine rpm and check that dwell angle increases. if no increase is recorded, replace control unit.