Curiosii for ever!
: Car repair manuals for everyone.
Home
>>
Volvo
>>
1982
>>
240 L4-2127cc 2.1L SOHC B21F
>>
Repair and Diagnosis
>>
Powertrain Management
>>
Emission Control Systems
>>
Diagrams
>>
EVAP System
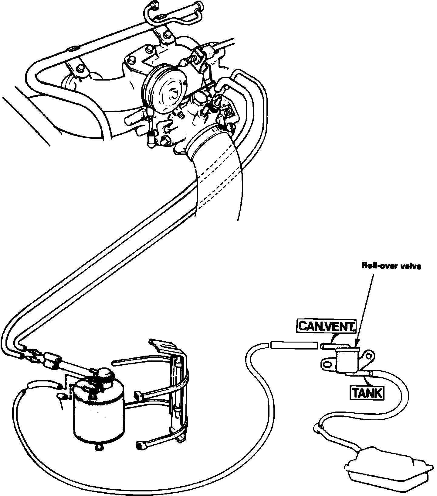
EVAP System
Fig. 7 EVAPORATIVE CONTROL SYSTEM: