Curiosii for ever!
: Car repair manuals for everyone.
Home
>>
Volkswagen
>>
2011
>>
Jetta Sedan (162) L5-2.5L (CBUA)
>>
Repair and Diagnosis
>>
Specifications
>>
Mechanical Specifications
>>
Automatic Transmission/Transaxle
>>
System Specifications
>>
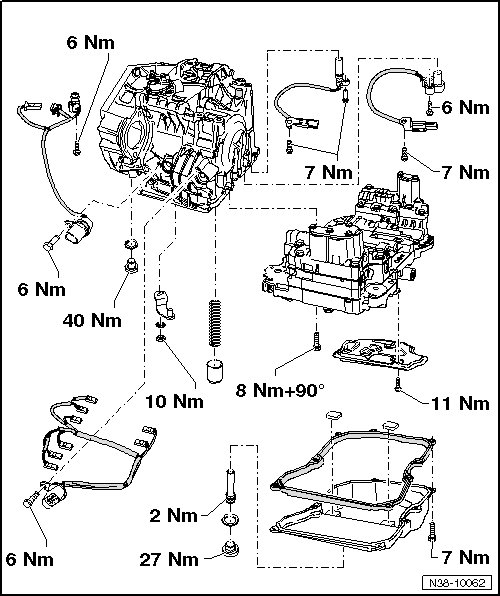
Fastener Tightening Specifications
Fastener Tightening Specifications
Fastener Tightening Specifications