ABS Mark 70 (ABS/ASR), Control Module and Hydraulic Unit, Removing
Control Module and Hydraulic Unit, Removing
Special tools, testers and auxiliary items required
• Torque Wrench 5-50 Nm (V.A.G 1331)
• Torque Wrench (V.A.G 1410)
• Brake Pedal Actuator (V.A.G 1869/2)
Sealing Plug Repair Kit, Part No. 1H0 698 311 A
After separating the control module from the hydraulic unit, always install transport protection on the hydraulic unit for the valve domes.
Warranties will not be granted for hydraulic units without transport protection.
1 Transport protection for valve domes (foam)
2 Sealing plug M 10
3 Sealing plug M 12
Removing
Component location:
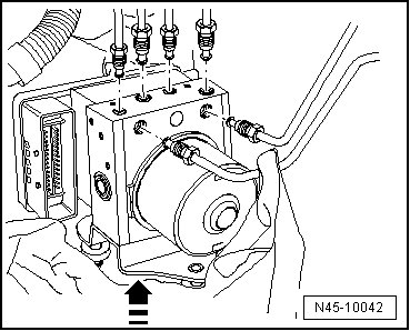
The control module is bolted to the hydraulic unit and is located at right in the engine compartment.
Do not bend the brake lines near the hydraulic unit.
- Read and note the present control module coding.
- Note or request radio code on vehicles with coded radio if necessary.
- Disconnect battery.
- Remove engine cover.
- Release control module connector in direction of - arrow 1 - and pull off - arrow 2 -.
- Insert (V.A.G 1869/2).
- Attach bleeder hose of bleeder bottles to left-front and left-rear brake caliper bleeder valves and open bleeder valves.
- Operate brake pedal using (V.A.G 1869/2) at least 60 mm.
- Close left front and left rear bleeder valves.
- Do not remove (V.A.G 1869/2).
- Place sufficient lint-free cloths under the control module and hydraulic unit.
Make sure that brake fluid does not come in contact with the terminals.
- First, mark both brake lines from master cylinder - A and B - and remove from the hydraulic unit.
- Plug the brake lines and threaded holes immediately with sealing plugs from the repair kit Part No. 1H0 698 311 A.
- Mark brake lines (brake caliper) - 1 to 4 -, remove and seal.
- Pull hydraulic unit with control module upward out of shock absorbers.