Curiosii for ever!: Car repair manuals for everyone.

Fuel System, Checking for Leaks






Fuel System, Checking for Leaks

=> [ Fuel System Leak Test ]

=> [ EVAP System Function Overview ]

=> [ Leak Detection Pump, Checking Vacuum Supply ]

Special tools, testers and auxiliary items required

Evaporative Emission Tester (KLI 9210)

Adapter for EVAP. Tester (KLI 9210/55-1)

Vehicle Diagnostic Tester

Hose Clamps up to 25 mm Dia. (3094)

The connectors for the fuel, vacuum and ventilation lines are color coded. There is either a colored dot on the connector or the release button is the corresponding color.






Test Conditions

The leak detection pump detected a leak.

Perform "Guided Fault Finding" using the vehicle diagnostic tester.

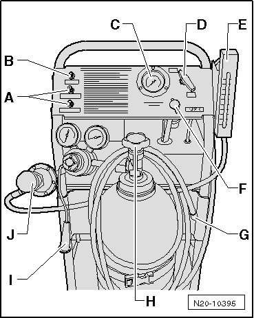
Evaporative Emissions Tester (KLI 9210) Preparation:

Depending on the version, the appearance of the evaporative emissions tester (KLI 9210) may vary.

- Check the evaporative emissions tester (KLI 9210) to determine whether there is enough fluid in the smoke generator.

- Set valve - D - to "Hold".






- Open the nitrogen bottle - H -.

- Connect the measuring hose - G - to the self test connection - B -.

- Set valve - D - to "Test".

- Using the pressure reducer - J -, adjust the pressure to 10 in. H2O (25 mbar) on.

- Set valve - D - to "Hold".

- The pressure must now be maintained a minimum of 2 minutes. If the pressure is not maintained, check the tester.

Fuel System, Checking for Leaks:

- Connect the adapter for EVAP. tester (KLI 9210/55-1) to the ventilation line - A - as shown. (Color identification: white).






- Connect the measuring hose - G - from the evaporative emissions tester (KLI 9210) to the adapter for EVAP. tester (KLI 9210/55-1).






- Set valve - D - to "Hold".

- Connect the vehicle diagnostic tester - 1 - to the vehicle.






- Start the engine and run at idle speed.

- Select Guided Functions

- Select "Check tank ventilation system for leaks".

- Start the test.

- While the test runs, observe the pressure gauge on the evaporative emissions tester (KLI 9210).

The leak detection pump must pump the fuel system up to a minimum 7 in. Inflate H2O (17 mbar).

The minimum pressure is not reached, but the pressure reached does not decrease:

- Turn the ignition off and perform a pressure retention test. If no decrease in pressure is observed: Check the leak detection pump vacuum supply.

The minimum pressure is not reached and the pressure reached decreases immediately:

- Clamp off the hose to the EVAP canister purge regulator valve 1 using a hose clamp up to 25 mm dia. (3094) - arrow -.






- Repeat the test. If the minimum pressure is not reached: Replace the EVAP canister purge regulator valve 1.

The minimum pressure is not reached again and the pressure reached decreases immediately:

- There is a leak in the fuel system, perform the "fuel system leak test".

If the minimum pressure is reached, turn the ignition off.

The valve in the leak detection pump is now closed and the pressure is maintained.

- Observe the pressure gauge:

If the pressure does not decrease, perform a pressure retention test to locate any possible pinhole leaks.

If the pressure decreased, clamp off hose to the EVAP canister purge regulator valve 1 using a hose clamp up to 25 mm dia. (3094) - arrow -.






- If the pressure now no longer falls, replace the EVAP canister purge regulator valve 1.

If the pressure still decreases, perform the "fuel system leak test".

Pressure Retention Test

- Set valve - D - to "Test". Increase the current pressure until it reaches 10 in. H2O (25 mbar).






- Observe the pressure gauge - C - and flow meter - E -. If the flow quantity decreases and the pressure increases to 10 in. H2O, then the fuel system is full.

Depending on the level in the fuel tank, this procedure may take up to 3 minutes.

- After the pressure has stabilized, set valve - D - to "Hold".

After 5 minutes the pressure must not drop below 8 in. H2O (20 mbar).

If the pressure is not maintained for 5 minutes, the leak should be localized as follows:

- First, check the EVAP canister purge regulator valve 1 for leaks. Clamp off the hose to the EVAP canister purge regulator valve 1 using a hose clamp up to 25 mm dia. (3094) - arrow -.






- Repeat the pressure test by resetting valve - D - to "Test".






- Observe the pressure gauge - C - and flow meter - E -. If the flow quantity decreases and the pressure increases to 10 in. H2O, then the fuel system is full.

- After the pressure has stabilized, set valve - D - to "Hold".

- If the pressure now no longer falls, replace the EVAP canister purge regulator valve 1.

If the pressure still decreases, perform the "fuel system leak test".

After completing the work, perform the "Check tank ventilation system for leaks" guided function using the vehicle diagnostic tester.

Fuel System Leak Test

Test Conditions

The "fuel system, checking for leaks" procedure was performed. Refer to => [ Fuel System, Checking for Leaks ] Testing and Inspection.

The evaporative emissions tester (KLI 9210) with adapter for EVAP. tester (KLI 9210/55-1) is connected to the vehicle






- Connect the evaporative emissions tester (KLI 9210) to the vehicle's battery.

- Remove the rear right wheel housing liner.

- Clamp off the hose - arrow - between the leak detection pump and the air filter using a hose clamp up to 25 mm dia. (3094).






- Set valve - D - to "Test".






- Observe the pressure gauge - C - and flow meter - E -. If the flow quantity decreases and pressure increases to 10 in. H2O, then the fuel system is full.

- After the pressure has stabilized, set valve - D - to "Hold".

After 5 minutes the pressure must not drop below 8 in. H2O (20 mbar).

- If the pressure no longer decreases, replace the leak detection pump.

If the pressure is not maintained for a minimum of 5 minutes or if no pressure is built up, localize the leak as follows:

- Fill the fuel system with smoke by setting valve - D - to "Test".

- While the fuel system is being filled, press the smoke generator button - I - for approximately one minute.

The fuel system is now under pressure and filled with smoke.

- Check all fuel system lines and hoses for escaping smoke. Also check the fuel filler tube cap.

Illuminate components and hoses with a strong flood light, the smoke will be more visible.

To check for leaks at accessible locations, also use ultrasonic measuring device or commercially available leak detection spray.

Depending on how long the fault finding lasts, the smoke generator button may need to be pressed again. This ensures there is enough smoke present in the fuel system.

To check the fuel pump and fuel filter flange, the assembly openings in the vehicle interior must be opened.

- Replace any leaking hoses or components.

After completing the work, perform the "Check tank ventilation system for leaks" guided function using the vehicle diagnostic tester.

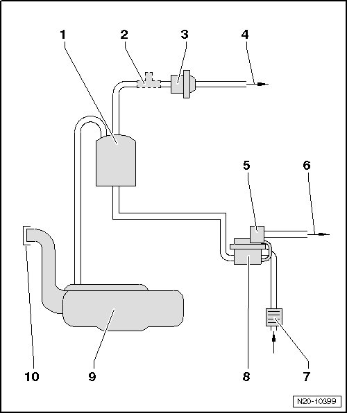
EVAP System Function Overview






1 Evaporative Emission (EVAP) Canister

2 Adapter for EVAP. Tester (KLI 9210/55-1) Installed Location

Used during the fuel system leak test.

3 EVAP Canister purge Regulator Valve 1 (N80)

4 Vent Line

To the intake manifold.

5 Solenoid Valve

For the leak detection pump.

6 Vacuum Line

To the intake manifold.

7 Air Filter Housing

For the leak detection pump.

8 Leak Detection Pump (V144)

9 Fuel Tank

10 Cap

Leak Detection Pump, Checking Vacuum Supply

Special tools, testers and auxiliary items required

Turbocharger Tester (V.A.G 1397 A)

T-Connection (251 201 346)

6 mm Diameter Hose

The leak detection pump is installed inside the right rear wheel housing.

- Remove the right rear wheel and wheel housing liner.

- Disconnect the vacuum line - 1 - from the leak detection pump.






- Connect the turbocharger tester (V.A.G 1397 A) with the T-piece and 6 mm diameter hose between the vacuum line - 1 - and the leak detection pump - 2 -.

- Turn on measuring range I (absolute pressure measurement).

- Connect the vehicle diagnostic tester and start the engine.

- Select Guided Functions

- Select "Check tank ventilation system for leaks".

- Start the test.

- While the test is running, observe the display on the turbocharger tester (V.A.G 1397 A).

The pressure must pulsate and must not rise above 0.700 bar (absolute pressure) during the test.

- If the pressure rises above 0.700 bar during the test, the vacuum supply is too low. Check the vacuum line to the intake manifold for kinks or blockages.