Curiosii for ever!: Car repair manuals for everyone.

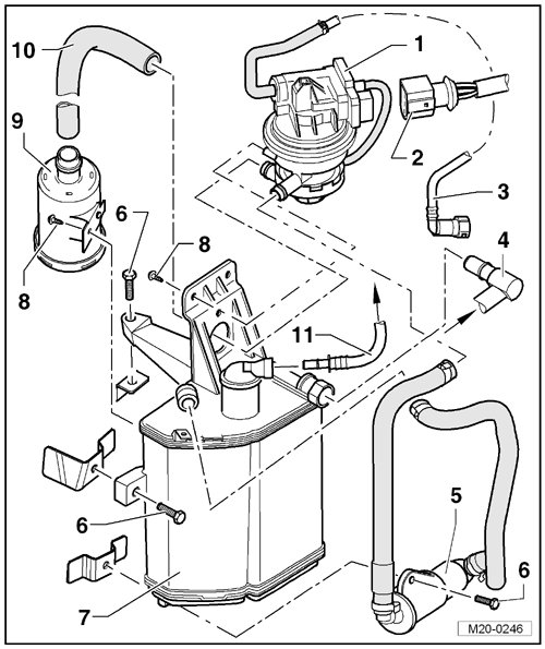
EVAP System Assembly Overview






EVAP System Assembly Overview

CAUTION!
During all repair procedures on the fuel tank, be aware of the following:

Make sure that the ground (-) strap between the fuel filler tube and body is securely fastened, to prevent electrostatic charging.

Route lines of all types (for example, fuel, hydraulic, Evaporative Emission (EVAP), coolant, refrigerant, brake fluid and vacuum) and electrical wiring so that the original path is followed.

To prevent damage to the lines, make sure there is sufficient clearance to all moving or hot components.





1 Leak Detection Pump (LDP) (V144)

Under the wheel housing liner in the right rear wheel housing.

On the Evaporative Emission (EVAP) canister.

Pump is activated (pulsed) by the Engine Control Module (ECM).

Removal and installation, refer to => [ EVAP Canister and Leak Detection Pump ] Service and Repair.

2 Connector

3 pin

3 Vacuum Line

To disengage, press in the securing ring.

Vehicles through MY 2009: from the intake manifold.

Vehicles from MY 2010: from the connection to the vacuum line between the vacuum pump and the brake booster.

4 Vent Line

Engine code BPS: from the switch over valve - item 7 - in => [ Switch Over Valve ] Removal and Replacement at fuel tank.

Engine code BPR: from fuel tank see - item 10 - in => [ to EVAP Canister ] .

To disengage, push securing ring forward.

5 Auxiliary Filter

6 Bolt, 11 Nm

7 EVAP Canister

Under the wheel housing liner in the right rear wheel housing.

Removal and installation, refer to => [ EVAP Canister and Leak Detection Pump ] Service and Repair.

8 Bolt, 3 Nm

9 LDP Air Filter

Clean if contaminated.

10 Connecting Hose

Intake side.

11 to EVAP Canister Purge Regulator Valve (N80)

On the engine.