Curiosii for ever!: Car repair manuals for everyone.

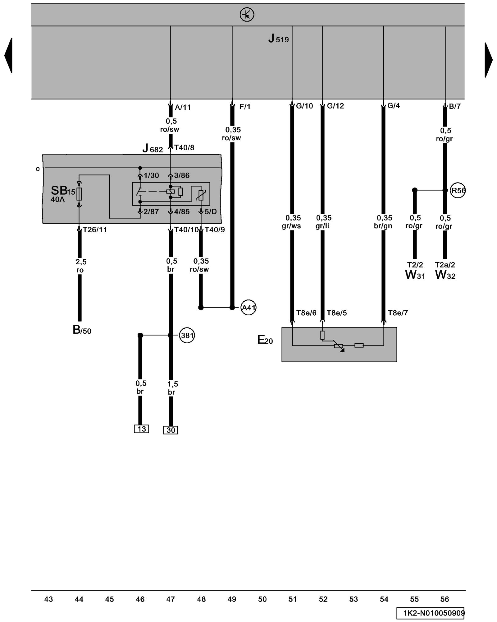
Diagram 10/5 (Tracks 43-56)






IMPORTANT NOTE:
This manufacturer uses "Track" style wiring diagrams.
For information on how to use these diagrams effectively, please refer to Diagram Information and Instructions. Diagram Information and Instructions


Instrument Panel Light Dimmer Switch, Vehicle Electrical System Control Module, Power Supply Relay (terminal 50)





ws = white
sw = black
ro = red
br = brown
gn = green
bl = blue
gr = grey
li = lilac
ge = yellow
or = orange
rs = pink

B - Starter

E20 - Instrument Panel Light Dimmer Switch

J519 - Vehicle Electrical System Control Module Locations Locations

J682 - Power Supply Relay (terminal 50) Locations

SB15 - Fuse 15 (on fuse panel)

T2 - Double Connector, at W31

T2a - Double Connector, at W32

T8e - 8-Pin Connector

T26 - 26-Pin Connector

T40 - 40-Pin Connector

W31 - Left Front Entry Light

W32 - Right Front Entry Light

(381) - Ground Connection 16 (in main wiring harness)

(A41) - Plus Connection (50), in instrument panel wiring harness

(R56) - Courtesy Light Connection (in left front door wiring harness)

Previous Diagram 10/4 (Tracks 29-42)

Next Diagram 10/6 (Tracks 57-70)