Curiosii for ever!: Car repair manuals for everyone.

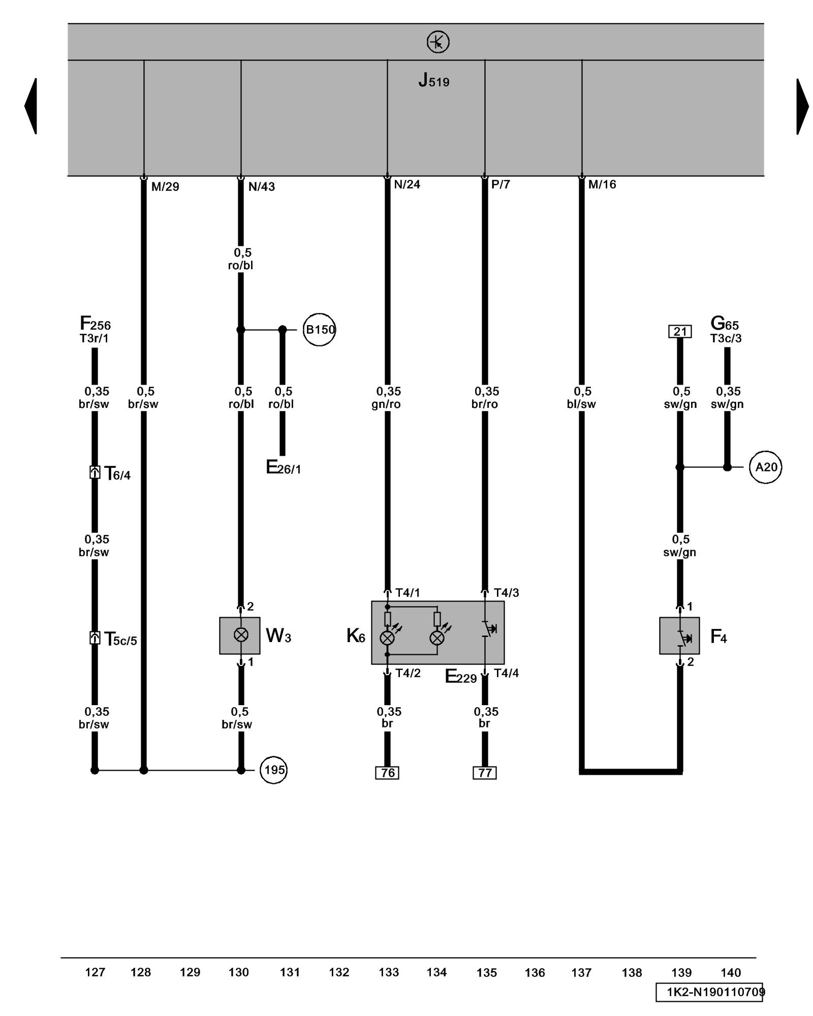
Diagram 190/11 (Tracks 127-140)






IMPORTANT NOTE:
This manufacturer uses "Track" style wiring diagrams.
For information on how to use these diagrams effectively, please refer to Diagram Information and Instructions. Diagram Information and Instructions


Emergency Flasher Button, Back-Up Light Switch, Vehicle Electrical System Control Module, Luggage Compartment Light





ws = white
sw = black
ro = red
br = brown
gn = green
bl = blue
gr = grey
li = lilac
ge = yellow
or = orange
rs = pink

E26 - Glove Compartment Light Switch

E229 - Emergency Flasher Button

F256 - Rear Lid Lock Unit Central Locking / Anti-Theft Systems

F4 - Back-Up Light Switch Direct Shift Gearbox 02E (DSG)

G65 - High Pressure Sensor Locations

J519 - Vehicle Electrical System Control Module Locations Locations

K6 - Emergency Flasher Indicator Lamp

T3c - 3-Pin Connector

T3r - 3-Pin Connector

T4 - 4-Pin Connector

T5c - 5-Pin Connector

T6 - 6-Pin Connector

W3 - Luggage Compartment Light

(195) - Ground Connection (in rear door contact switch wiring harness)

(A20) - Plus Connection (15a), (in instrument panel wiring harness)

(B150) - Plus Connection 2 (30a) (in interior wiring harness)

Previous Diagram 190/10 (Tracks 113-126)

Next Diagram 190/12 (Tracks 141-154)