Curiosii for ever!: Car repair manuals for everyone.

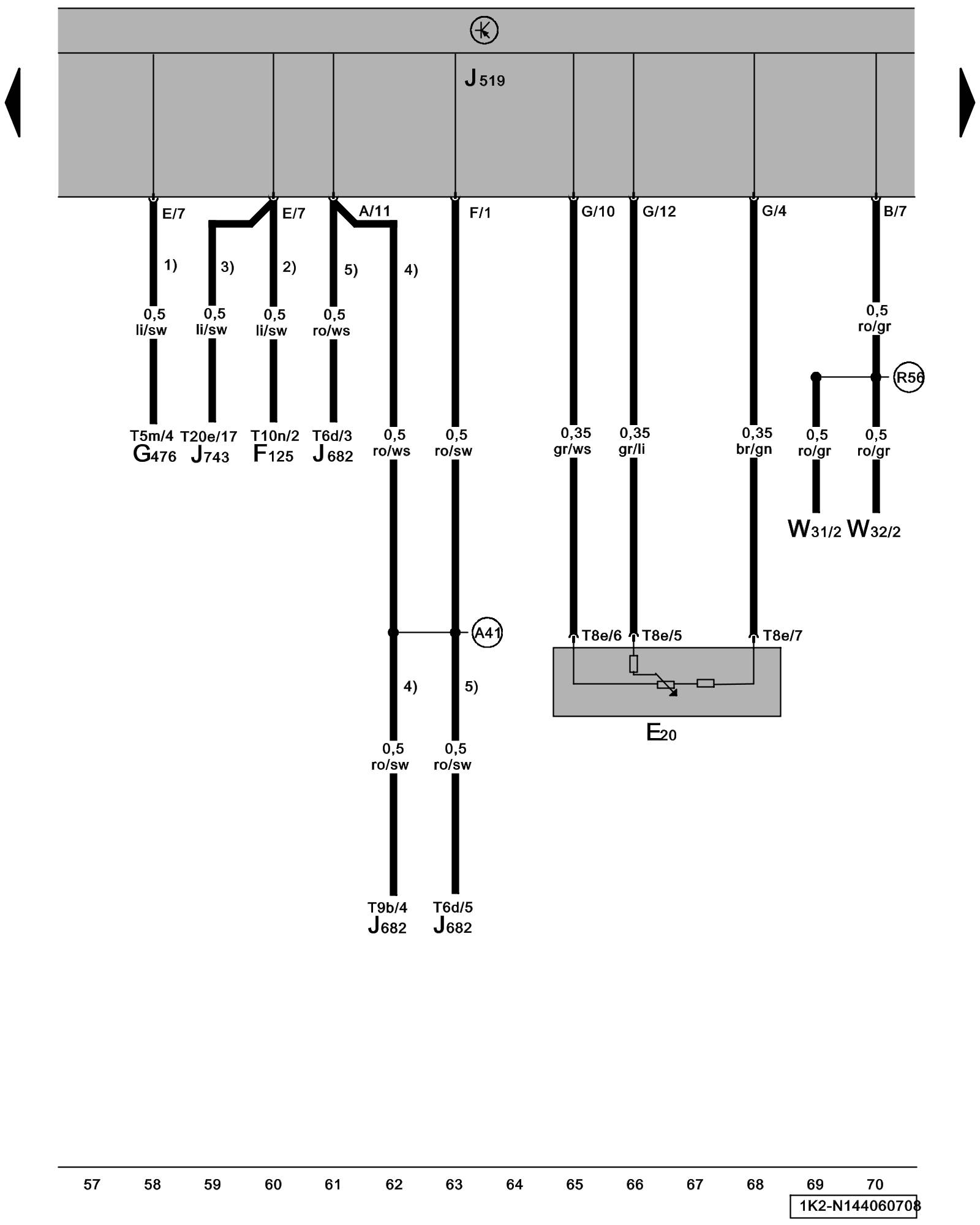
Diagram 144/6 (Tracks 57-70)






IMPORTANT NOTE:
This manufacturer uses "Track" style wiring diagrams.
For information on how to use these diagrams effectively, please refer to Diagram Information and Instructions. Diagram Information and Instructions


Instrument Panel Illumination Dimmer Switch, Vehicle Electrical System Control Module





ws = white
sw = black
ro = red
br = brown
gn = green
bl = blue
gr = grey
li = lilac
ge = yellow
or = orange
rs = pink

E20 - Instrument Panel Illumination Dimmer Switch

F125 - Multi-Function Transmission Range (TR) Switch Locations

G476 - Clutch Position Sensor

J519 - Vehicle Electrical System Control Module Locations Locations

J682 - Power Supply Relay (terminal 50) Locations

J743 - Direct Shift Gearbox (DSG) Mechatronic

T5m - 5-Pin Connector

T6d - 6-Pin Connector

T8e - 8-Pin Connector

T9b - 9-Pin Connector

T10n - 10-Pin Connector

T20e - 20-Pin Connector

W31 - Left Front Entry Light

W32 - Right Front Entry Light

(A41) - Plus Connection (50) (in instrument panel wiring harness)

(R56) - Courtesy Light Connection (in driver's door wiring harness)

1) - Vehicle with Manual Transmission, only

2) - Vehicles with Automatic Transmission, 6-speed with Tiptronic, only

3) - Vehicles with Direct Shift Automatic Transmission (DSG) 02E, only

4) - Engine code, CCTA, CBRA, CBTA, CBUA, only

5) - Engine code CBFA, only

Previous Diagram 144/5 (Tracks 43-56)

Next Diagram 144/7 (Tracks 71-84)