Curiosii for ever!: Car repair manuals for everyone.

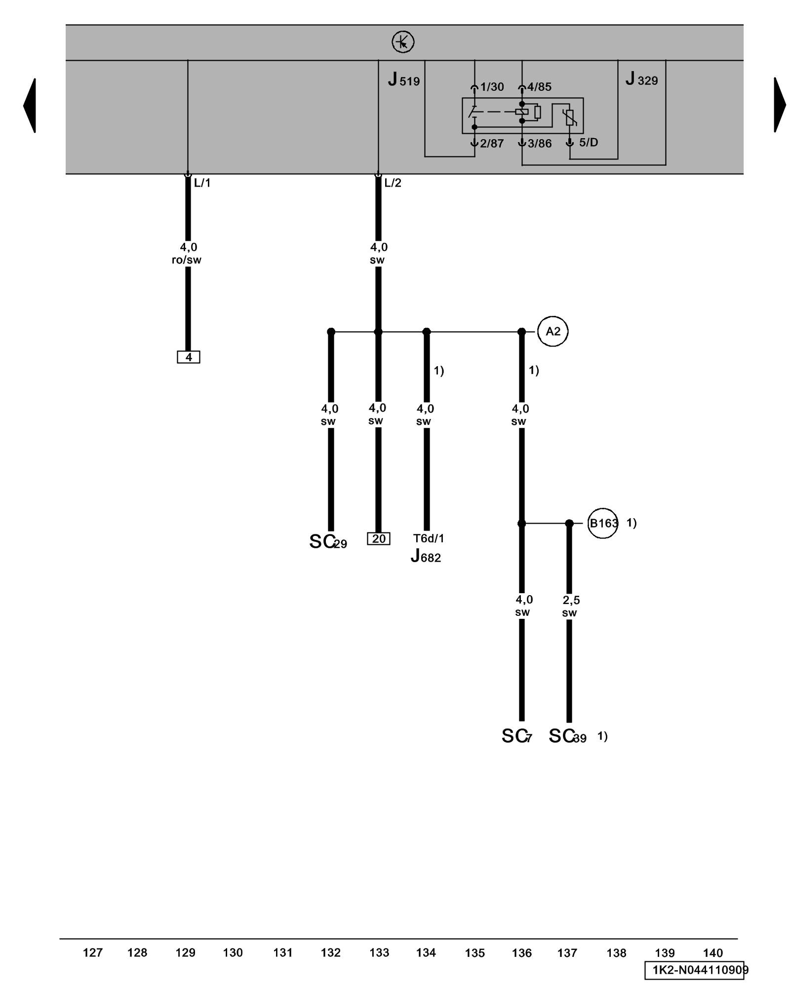
Diagram 44/11 (Tracks 127-140)






IMPORTANT NOTE:
This manufacturer uses "Track" style wiring diagrams.
For information on how to use these diagrams effectively, please refer to Diagram Information and Instructions. Diagram Information and Instructions


Power Supply Relay (terminal 15), Vehicle Electrical System Control Module





ws = white
sw = black
ro = red
br = brown
gn = green
bl = blue
gr = grey
li = lilac
ge = yellow
or = orange
rs = pink

J329 - Power Supply Relay (terminal 15) Locations

J519 - Vehicle Electrical System Control Module Locations Locations

J682 - Power Supply Relay (terminal 50) Locations

SC7 - Fuse 7 (on fuse panel C) Locations

SC29 - Fuse 29 (on fuse panel C) Locations

SC39 - Fuse 39 (on fuse panel C) Locations

T6d - 6-Pin Connector

(A2) - Plus Connection (15) (in instrument panel wiring harness)

(B163) - Plus Connection 1 (15) (in interior wiring harness)

1) - Through June 2007

Previous Diagram 44/10 (Tracks 113-126)

Next Diagram 44/12 (Tracks 141-154)