Curiosii for ever!: Car repair manuals for everyone.

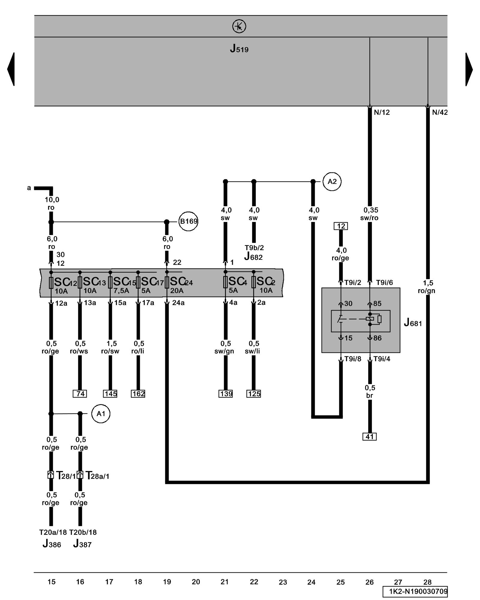
Diagram 190/3 (Tracks 15-28)






IMPORTANT NOTE:
This manufacturer uses "Track" style wiring diagrams.
For information on how to use these diagrams effectively, please refer to Diagram Information and Instructions. Diagram Information and Instructions


Vehicle Electrical System Control Module, Power Supply Relay 2 (terminal 15), Fuses (SC)





ws = white
sw = black
ro = red
br = brown
gn = green
bl = blue
gr = grey
li = lilac
ge = yellow
or = orange
rs = pink

J386 - Driver's Door Control Module Locations

J387 - Front Passenger's Door Control Module Locations Central Locking / Anti-Theft Systems

J519 - Vehicle Electrical System Control Module Locations Locations

J681 - Power Supply Relay 2 (terminal 15)

J682 - Power Supply Relay (terminal 50) Locations

SC2 - Fuse 2 (on fuse panel C) Locations

SC4 - Fuse 4 (on fuse panel C) Locations

SC12 - Fuse 12 (on fuse panel C) Locations

SC13 - Fuse 13 (on fuse panel C) Locations

SC15 - Fuse 15 (on fuse panel C) Locations

SC17 - Fuse 17 (on fuse panel C) Locations

SC24 - Fuse 24 (on fuse panel C) Locations

T9b - 9-Pin Connector

T9i - 9-Pin Connector

T20a - 20-Pin Connector

T20b - 20-Pin Connector

T28 - 28-Pin Connector

T28a - 28-Pin Connector

(A1) - Plus Connection (30a) (in instrument panel wiring harness)

(A2) - Plus Connection (15) (in instrument panel wiring harness)

(B169) - Plus Connection 1 (30) (in interior wiring harness)

Previous Diagram 190/2 (Tracks 1-14)

Next Diagram 190/4 (Tracks 29-42)