Curiosii for ever!: Car repair manuals for everyone.

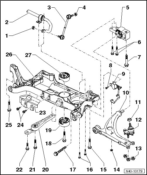
Subframe, Stabilizer Bar and Lower Control Arm Overview






Subframe, Stabilizer Bar and Lower Control Arm Overview

Welding and straightening work on supporting or wheel carrying components of the suspension is not permitted.

Always replace self-locking nuts.

Always replace corroded bolts and nuts.

Bonded rubber bushings can only be turned to a limited extent. Therefore tighten threaded connections for components with bonded rubber bushings only when the wheel bearing housing has been lifted (curb weight position). Refer to => [ Front Subframe ] Front Subframe.






1 Nut

65 Nm

Always replace if removed.

Self-locking.

Counter hold the stud socket head when tightening.

2 Stabilizer Bar

There are different versions.

Allocation, refer to the Parts Catalog.

Removing and installing, refer to => [ Stabilizer Bar ] Stabilizer Bar.

3 Coupling Rod

Linking the stabilizer bar to the strut.

4 Nut

65 Nm

Always replace if removed.

Self-locking

Counter hold the stud socket head when tightening.

5 Lower Control Arm Bracket

Locating, refer to => [ Lower Control Arm Bracket, Securing ] Subframe, Securing.

With a bonded rubber bushing.

6 Bolt

M10 x 70

50 Nm + an additional 90°(1/4) turn.

Always replace if removed.

7 Bolt

M12 x 1.5 x 100

70 Nm + an additional 180° (1/2) turn.

Always replace if removed.

8 Bolt

M6 x 16

9 Nm

9 Left Front Level Control System Sensor (G78)

Removing and installing, refer to => [ Front Level Control System Sensors G78/G289 ] Front Level Control System Sensors G78/G289.

Can be checked in Guided Fault Finding using the vehicle diagnostic tester.

10 Control Arm

Replace with the ball joint if damaged.

Removing and installing, refer to one of the following:

=> [ Lower Control Arm ] Lower Control Arm.

=> [ Lower Control Arm, Left Side, for Vehicles with a DSG(R) or Automatic Transmission ] Lower Control Arm, Left Side, for Vehicles with a DSG(R) or Automatic Transmission.

Bushing replacing, refer to => [ Lower Control Arm Bonded Rubber Bushing ] Procedures.

It is possible there are different versions of the control arm (steel, sheet steel, aluminum).

Allocation, refer to the Parts Catalog.

Ensure that the control arm being installed is of the same version/material as the control arm on the opposite side.

11 Nut

M12 x 1.5

60 Nm

Self-locking

Always replace if removed.

12 Ball Joint

Checking, refer to => [ Ball Joint, Checking ] Procedures.

Removing and installing, refer to => [ Ball Joint ] Removal and Replacement.

Replace with the control arm if damaged.

13 Nut

Cast steel control arm: 60 Nm.

Steel and aluminum control arms: 100 Nm.

Self-locking.

Always replace if removed.

14 Nut

9 Nm

15 Bolt

M12 x 1.5 x 100: 70 Nm + an additional 180° (1/2) turn.

M12 x 1.5 x 110: 70 Nm + an additional 90° (1/4) turn.

Always replace if removed.

16 Bolt

M8 x 55

20 Nm + an additional 90° (1/4) turn.

Always replace if removed.

17 Bolt

M12 x 1.5 x 110

70 Nm + an additional 180° (1/2) turn.

Always replace if removed.

Tighten only in curb weight position. Refer to => [ Front Subframe ] Front Subframe.

18 Bolt

M14 x 1.5 x 70

100 Nm + an additional 90° (1/4) turn.

Only tighten when the pendulum support is bolted to the transmission.

Always replace if removed.

19 Bonded Rubber Bushing for the Pendulum Support

Removing and installing, refer to => [ Subframe Bonded Rubber Bushings ] Service and Repair.

There are different versions, refer to => [ Identifying the Pendulum Support Bonded Rubber Bushing ].

20 Pendulum Support

First, secure to the transmission, then to the subframe.

There are different versions.

Allocation, refer to the Parts Catalog.

21 Bolt

M10 x 75: 50 Nm + an additional 90° (1/4) turn.

M12 x 1.5 x 85: 60 Nm + an additional 90°(1/4) turn.

Always replace if removed.

22 Bolt

M10 x 35

50 Nm + an additional 90° (1/4) turn.

Always replace if removed.

23 Heat Shield

On Front Wheel Drive (FWD) vehicles only.

24 Bolt

6 Nm

25 Bolt

M12 x 1.5 x 90

70 Nm + an additional 180° (1/2) turn.

Always replace if removed.

26 Subframe

Removing and installing without the steering gear. Refer to => [ Subframe, without the Steering Gear ] Subframe, without the Steering Gear.

Removing and installing with the steering gear. Refer to => [ Subframe, with the Steering Gear ] Subframe, with the Steering Gear.

There are different versions.

Allocation, refer to the Parts Catalog.

27 Bonded Rubber Bushing for the Pendulum Support

Removing and installing, refer to => [ Subframe Bonded Rubber Bushings ] Service and Repair.

There are different versions, refer to => [ Identifying the Pendulum Support Bonded Rubber Bushing ].

Identifying the Pendulum Support Bonded Rubber Bushing





There are two different versions of the pendulum support bonded rubber bushing: the T version - I - and the V version - II -.

Allocation, refer to the Parts Catalog.

I The corners on the inner core - 1 - face toward the opening for the pendulum support - arrow - (T version).
II The corners on the inner core - 2 - face away from the opening for the pendulum support - arrow - (V version).