Curiosii for ever!: Car repair manuals for everyone.

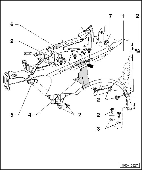
Front Fender Assembly Overview






Front Fender Assembly Overview

The illustration shows the left side. It can also be applied to the right side.





1 Fender

Removing and Installing => [ Fender ] Fender

2 Bolt

Qty. 1, A-pillar

Qty. 2, side member

Qty.. 2, wheel housing

Qty.. 2, fender brace

Qty.. 3, fender connecting piece

6 Nm

3 Zinc spacer

AKL 381 035 50

4 Foam piece

Loosely inserted between fender and upper longitudinal member

5 Fender brace

Removing and Installing => [ Fender Brace ] Fender Brace

6 Molded foam part

Placed on upper longitudinal member.

Secures at fender.

7 Hex nut

Qty. 1, at fender connecting piece

6 Nm