Curiosii for ever!: Car repair manuals for everyone.

Fender Overview






Fender

=> [ Front Fender Assembly Overview ]

Front Fender Assembly Overview

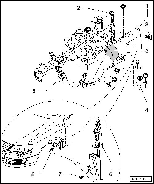
The illustration shows a left fender. The right fender is identical.





1 Fender

Removing and Installing, refer to => [ Fender ] Fender

2 Bolt

1 piece, at the A-pillar

Quantity: 2, on sill panel

1 piece, on wheel housing

Quantity: 2, on fender brace

Quantity: 4, at fender connecting piece

Tightening specification: 7.5 Nm

3 Foam Piece

Inserted between fender and upper longitudinal member.

4 Spacer

AKL 381 035 50

5 Fender Brace

Removing and Installing, refer to => [ Fender Brace ] Fender

6 Fender End Plate

7 Bolt

Tightening specification: 2 Nm

8 Expanding Nut