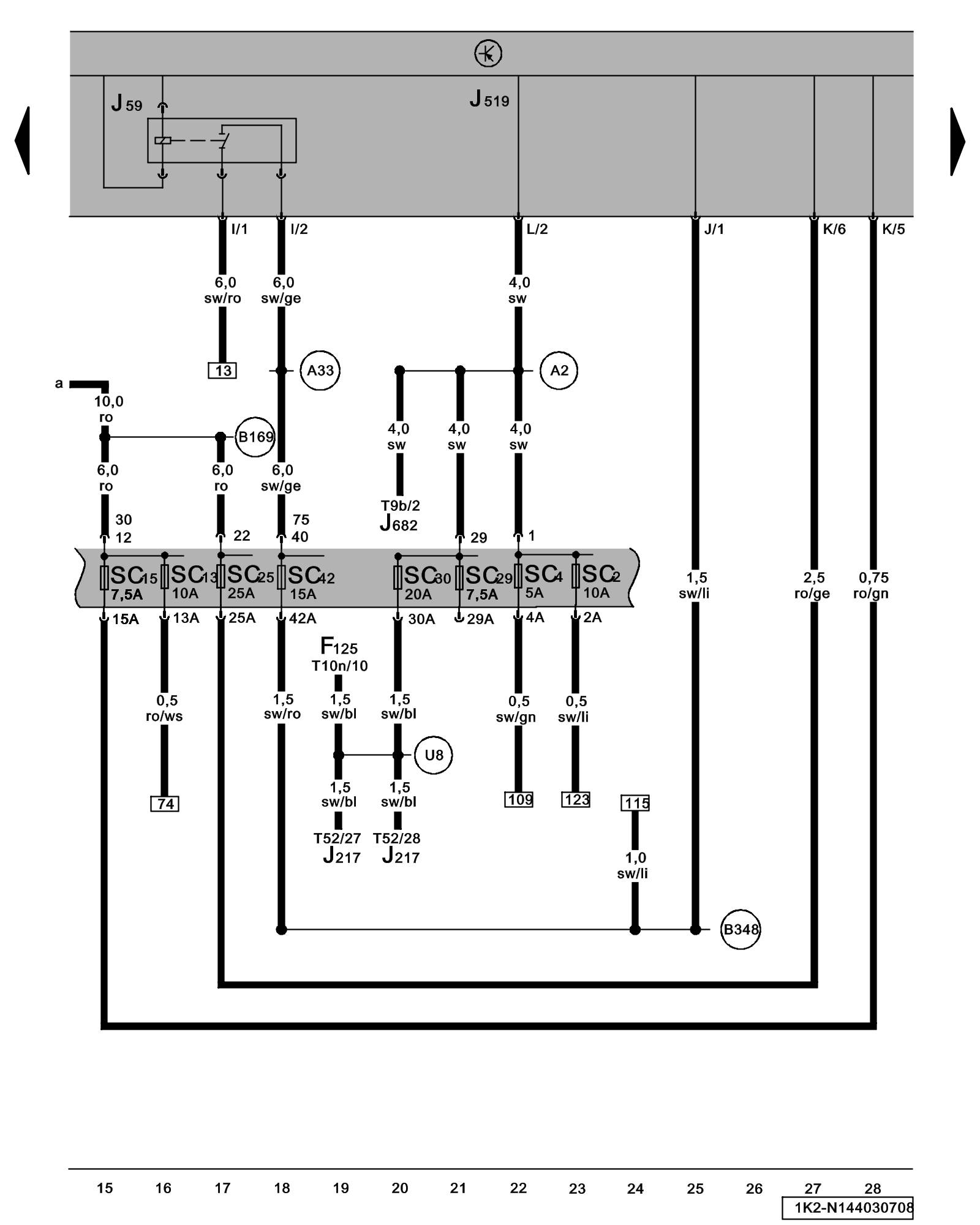
Diagram 144/3 (Tracks 15-28)
IMPORTANT NOTE:
This manufacturer uses "Track" style wiring diagrams.
For information on how to use these diagrams effectively, please refer to Diagram Information and Instructions. Diagram Information and Instructions
Load Reduction Relay, Vehicle Electrical System Control Module, Fuses (SC)
ws = white
sw = black
ro = red
br = brown
gn = green
bl = blue
gr = grey
li = lilac
ge = yellow
or = orange
rs = pink
F125 - Multi-Function Transmission Range (TR) Switch Automatic Transmission 09G
J59 - Load Reduction Relay Locations
J217 - Transmission Control Module (TCM) Locations
J519 - Vehicle Electrical System Control Module Locations Locations
J682 - Power Supply Relay (terminal 50) Locations
SC2 - Fuse 2 (on fuse panel) Locations
SC4 - Fuse 4 (on fuse panel C) Locations
SC13 - Fuse 13 (on fuse panel C) Locations
SC15 - Fuse 15 (on fuse panel C) Locations
SC25 - Fuse 25 (on fuse panel C) Locations
SC29 - Fuse 29 (on fuse panel C) Locations
SC30 - Fuse 30 (on fuse panel C) Locations
SC42 - Fuse 42 (on fuse panel C) Locations
T9b - 9-Pin Connector
T10n - 10-Pin Connector
T52 - 52-Pin Connector
(A2) - Plus Connection (15) (in instrument panel wiring harness)
(A33) - Connection (75) (in instrument panel wiring harness)
(B169) - Plus Connection 1 (30) (in passenger compartment wiring harness)
(B348) - Connection 1 (75A) (in main wiring harness)
(U8) - Plus Connection (15a) (automatic transmission wiring harness)
Previous Diagram 144/2 (Tracks 1-14)
Next Diagram 144/4 (Tracks 29-42)