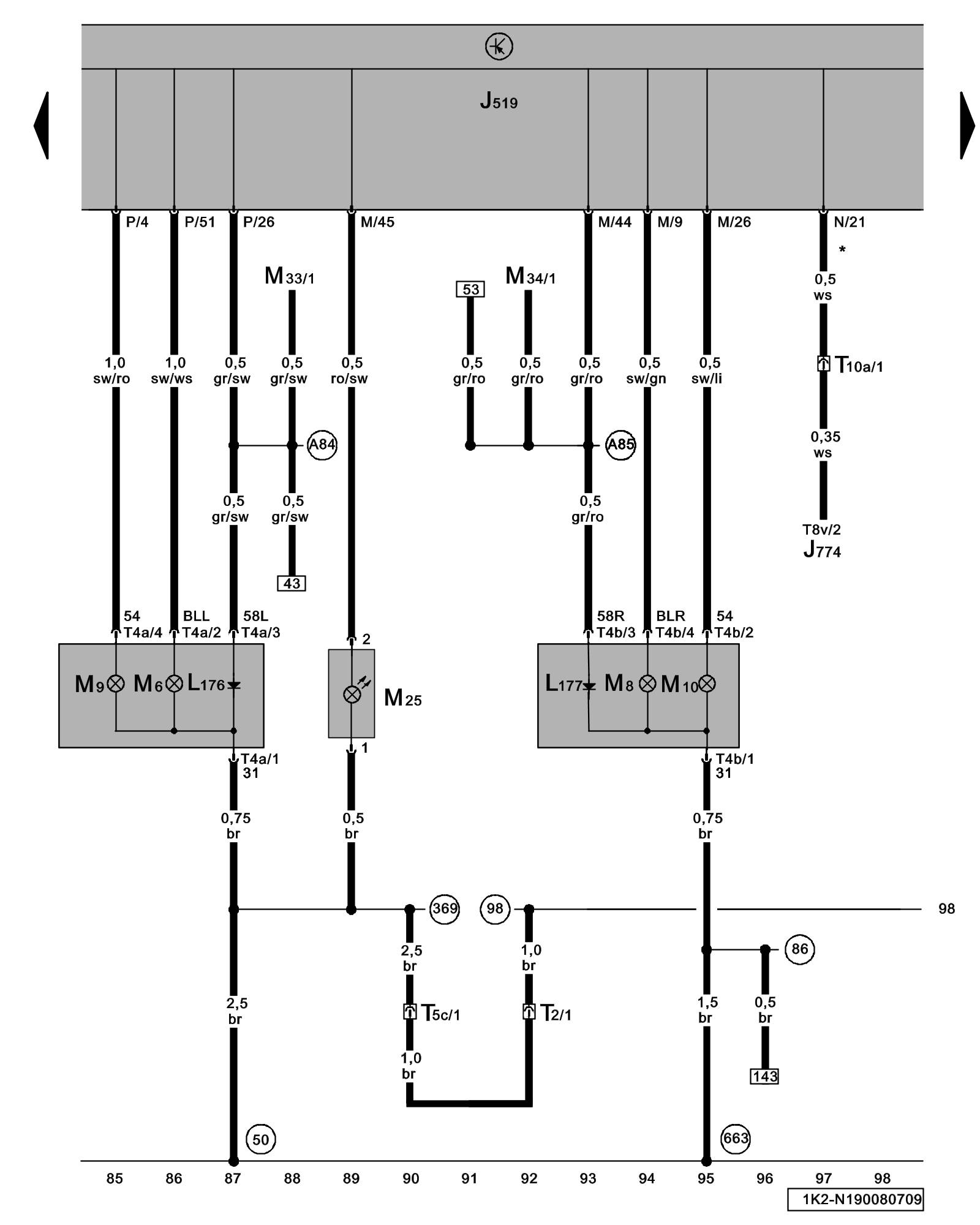
Diagram 190/8 (Tracks 85-98)
IMPORTANT NOTE:
This manufacturer uses "Track" style wiring diagrams.
For information on how to use these diagrams effectively, please refer to Diagram Information and Instructions. Diagram Information and Instructions
Vehicle Electrical System Control Module, Left and Right LED Parking Lamp/DRL Module, Left and Right Rear Turn Signal Lamp, Left and Right Brake Lamp
ws = white
sw = black
ro = red
br = brown
gn = green
bl = blue
gr = grey
li = lilac
ge = yellow
or = orange
rs = pink
J519 - Vehicle Electrical System Control Module Locations Locations
J774 - Heated Rear Seats Control Module
L176 - Left LED Parking Lamp/DRL Module
L177 - Right LED Parking Lamp/DRL Module
M6 - Left Rear Turn Signal Lamp
M8 - Right Rear Turn Signal Lamp
M9 - Left Brake Lamp
M10 - Right Brake Lamp
M25 - High-mount Brake Light
M33 - Left Front Side Marker Lamp
M34 - Right Front Side Marker Lamp
T2 - Double Connector
T4a - 4-Pin Connector
T4b - 4-Pin Connector
T5c - 5-Pin Connector
T8v - 8-Pin Connector
T10a - 10-Pin Connector
(50) - Ground Connection (in luggage compartment, left)
(86) - Ground Connection 1 (in rear wiring harness)
(98) - Ground Connection (in rear lid wiring harness)
(369) - Ground Connection 4 (in main wiring harness)
(663) - Ground Connection (on right rear side panel)
(A84) - Connection (58L) (in instrument panel wiring harness)
(A85) - Connection (58R) (in Instrument panel wiring harness)
(*) - Only models with heated seats
Previous Diagram 190/7 (Tracks 71-84)
Next Diagram 190/9 (Tracks 99-112)