Curiosii for ever!: Car repair manuals for everyone.

Diagram 144/2 (Tracks 1-14)






IMPORTANT NOTE:
This manufacturer uses "Track" style wiring diagrams.
For information on how to use these diagrams effectively, please refer to Diagram Information and Instructions. Diagram Information and Instructions


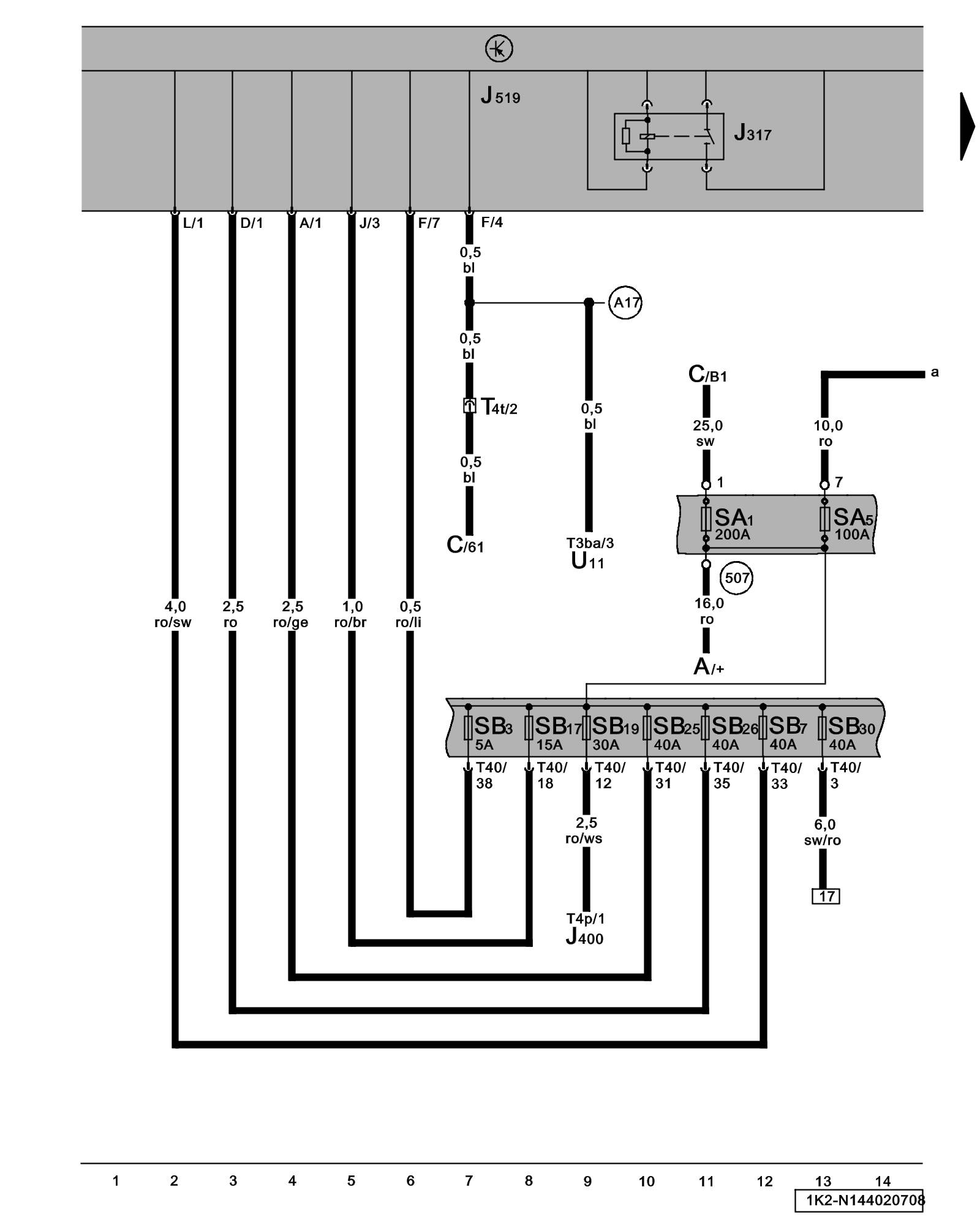
Power Supply Relay (terminal 30, B+), Vehicle Electrical System Control Module, Fuses SA, SB





ws = white
sw = black
ro = red
br = brown
gn = green
bl = blue
gr = grey
li = lilac
ge = yellow
or = orange
rs = pink

A - Battery

C - Generator (GEN)

J317 - Power Supply Relay (terminal 30, B+) Locations

J400 - Wiper Motor Control Module

J519 - Vehicle Electrical System Control Module Locations Locations

SA1 - Fuse 1 (on fuse panel A)

SA5 - Fuse 5 (on fuse panel A)

SB3 - Fuse 3 (on fuse panel B)

SB7 - Fuse 7 (on fuse panel B)

SB17 - Fuse 17 (on fuse panel B)

SB19 - Fuse 19 (on fuse panel B)

SB25 - Fuse 25 (on fuse panel B)

SB26 - Fuse 26 (on fuse panel B)

SB30 - Fuse 30 (on fuse panel B)

T3ba - 3-Pin Connector

T4p - 4-Pin Connector, at J400

T4t - 4-Pin Connector

T40 - 40-Pin Connector

U11 - Interior Socket, 230V, 110V

(507) - Threaded Connection - terminal 30 (on battery fuse holder)

(A17) - Connection (61) (in instrument panel wiring harness)

Next Diagram 144/3 (Tracks 15-28)