Curiosii for ever!: Car repair manuals for everyone.

Through October 2010






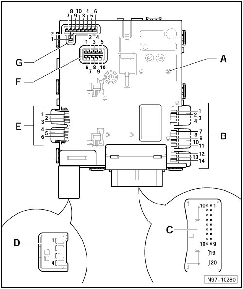
Control modules in interior

Steering Column Electronic Systems Control Module -J527-









Component Location:


Through October 2010
Under the steering column, near the steering column switch -Arrow-


Pin Arrangements:


Through October 2010





A - Steering Column Electronic Systems Control Module -J527-


B - Connector Turn Signal and Cruise Control System:

1 - Ground Turn Signal

2 - Turn Signal

3 - Not used

4 - High Beam/Flasher

5 - Not used

6 - Not used

7 - Voltage for CCS OFF

8 - Cruise Control Main Switch

9 - Res (+), Set (-)

10 - CCS OFF

11 - Ground for CCS

12 - Ground for Automatic Distance Control

13 - Adaptive cruise control button

14 - Set Switch


C - 20-pin connector -T20d-

1 - Ignition Switch Key Lock

2 - Anti-theft immobilizer reader module

3 - Comfort System CAN-Bus Low

4 - Comfort System CAN-Bus High

5 - CAN Powertrain Shielding

6 - Powertrain CAN Low

7 - Powertrain CAN High

8 - Ground

9 - Power Supply Steering Column Electronic Systems Control Module

10 - Terminal 50

11 - Terminal P

12 - Terminal S

13 - Terminal 15

14 - Not used

15 - Not used

16 - Cruise Control System, out

17 - Ground

18 - Power supply steering column electronic systems control module (terminal 30)

19 - Not used

20 - Not used


D - 4-pin connector -T4-

1 - Airbag 1 -

2 - Airbag 1 +

3 - Airbag 2 +

4 - Airbag 2 -


E - Pin Connector Wiper and Multi-function Indicator (MFA):

1 - Ground for Windshield Wiper/Washer Switch

2 - Signal Wiper

3 - Wash/Wipe Signal

4 - Potentiometer for Interval Stages

5 - Signal for Multi-function Indicator

6 - Ground for Multi-function Indicator and Interval


F - Connector Steering Angle Sensor:

1 - Light barrier 5

2 - Light barrier 3

3 - Light barrier 1

4 - Power Supply 12 V

5 - Power Supply 5 V

6 - Light barrier 6

7 - Light barrier 4

8 - Light barrier 2

9 - Ground

10 - Light barrier 7


G - Pin Connector Return Spring Airbag/Multi-function Steering Wheel:

1 - Not used

2 - Not used

3 - Airbag 1 (+)

4 - Airbag 1 (-)

5 - Airbag 2 (+)

6 - Airbag 2 (-)

7 - Ground for Return Spring, Multi-function Steering Wheel and Horn

8 - Horn or CCS OFF (with multi-function steering wheel)

9 - LIN-Bus

10 - Power Supply for Multi-function Steering Wheel (terminal 15)