Curiosii for ever!: Car repair manuals for everyone.

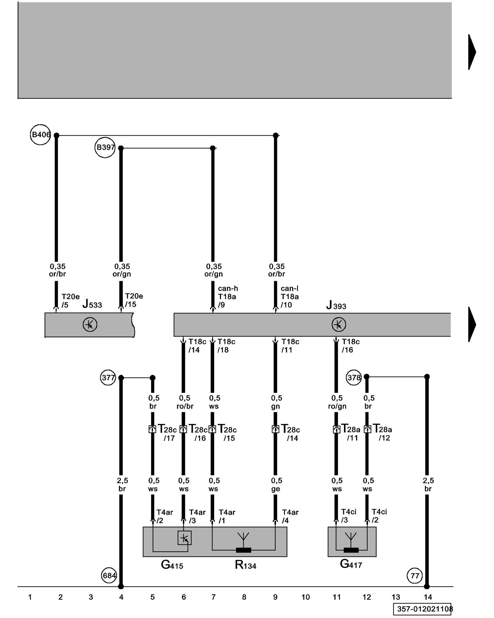
Diagram 12/2 (Tracks 1-14)






IMPORTANT NOTE:
This manufacturer uses "Track" style wiring diagrams.
For information on how to use these diagrams effectively, please refer to Diagram Information and Instructions. Diagram Information and Instructions


Comfort System Central Control Module, Driver's Outside Door Handle Touch Sensor, Driver's Access/Start Authorization Antenna





ws = white
sw = black
ro = red
br = brown
gn = green
bl = blue
gr = grey
li = lilac
ge = yellow
or = orange
rs = pink

G415 - Driver's Outside Door Handle Touch Sensor Locations Driver Exterior Door Handle Touch Sensor -G415/ R134-

G417 - Left Rear Outside Door Handle Touch Sensor Locations Left and Right Rear exterior Door Handle Touch Sensor -G417- / -G418-

J393 - Comfort System Central Control Module Control Modules in Interior [1][2]Body Control Module

J533 - Data Bus On Board Diagnostic Interface Control Modules in Interior

R134 - Driver's Access/Start Authorization Antenna Locations Driver Exterior Door Handle Touch Sensor -G415/ R134-

T4ar - 4-Pin Connector

T4ci - 4-Pin Connector

T18a - 18-Pin Connector

T18c - 18-Pin Connector

T20e - 20-Pin Connector

T28a - 28-Pin Connector, connector station B-pillar, left

T28c - 28-Pin Connector, connector station A-pillar, left

(77) - Ground Connection (on left lower B-pillar) Overview Of Ground Connections in Interior

(377) - Ground Connection 12 (in main wiring harness)

(378) - Ground Connection 13 (in main wiring harness)

(684) - Ground Connection (on left front side member) Overview Of Ground Connections in Interior

(B397) - Comfort System CAN-Bus High Connection 1 (in main wiring harness)

(B406) - Comfort System CAN-Bus Low Connection 1 (in main wiring harness)

Next Diagram 12/3 (Tracks 15-28)