Curiosii for ever!: Car repair manuals for everyone.

Condenser







Condenser

Special tools, testers and auxiliary items required

A/C Service Station (ROB 134APF)

Depending on the type of engine, the refrigerant line connections are mounted on the right or left side of the condenser.

Refrigerant must be extracted before hand using, for example ROB 134APF.

The previously used A/C Service Station can still be used. Refer to the Volkswagen workshop equipment catalog.

To prevent the ingress of dampness all components of the refrigerant circuit which have been opened must be sealed with suitable plugs.

Removing

- Turn off all electric consumers.

- Switch off the ignition.

- Extract refrigerant using ROB 134APF.

Environmentally hazardous draining of refrigerant is an offense punishable by law.

- Remove the bumper.

- Move the lock carrier into the service position.

Danger due to refrigerant coming out under pressure.

Danger of frost bite to skin and other parts of the body.

Extract the refrigerant and immediately open the refrigerant circuit after that.

If the refrigerant was extracted more than 10 minutes in the past and the refrigerant circuit was not opened, extract the refrigerant again. Pressure in the refrigerant circuit is caused by evaporation.

- Remove the bolts - 1 - (12 ± 1 Nm).






- Remove the refrigerant lines - 2 - from the connection - 4 - on the condenser.

- Seal off the line connections.

Replace the sealing rings - 3 -.






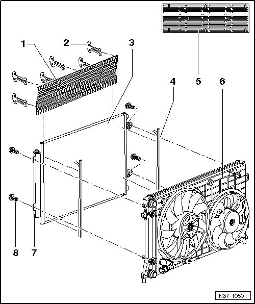
1 Protective Grate

Position protective grate from below on the 3rd rib.

2 Clip

Quantity: 8

3 Condenser

Mounted to the radiator with 4 screws - 8 -.

4 Sealing Strips

Before assembly, attach side sealing strips to outer edge of condenser.

5 Diagram for the Mounting Clips

6 Radiator

7 Dryer Cartridge in Fluid Reservoir

Under certain conditions, the dryer cartridge should no longer be replaced each time the refrigerant circuit is opened.

The fluid reservoir with dryer cartridge is mounted on the right or left side on the condenser depending on the engine type.

Removing and installing, refer to => [ Dryer Cartridge ] Dryer Cartridge.

8 Screws

5 ± 0.5 Nm

Quantity: 4

Installing

- Install in reverse order of removal.

- See notes, refer to => [ A/C Compressor, Installation Information ] Description and Operation.