Curiosii for ever!: Car repair manuals for everyone.

Secondary Air Injection System Assembly Overview



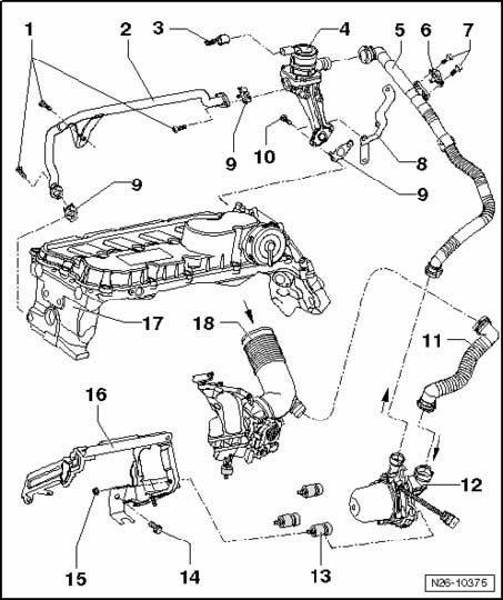
Secondary Air Injection System Assembly Overview







1 - 10 Nm
2 - Connecting pipe
- Observe tightening sequence.
- Only with engine codes: BGP, BGQ, CBUA
3 - Connector
- For Secondary Air Injection (AIR) Solenoid Valve N112
4 - Secondary air injection (AIR) solenoid valve N112
- Do not disassemble
5 - Pressure pipe
- Ensure seated tightly
- To disengage, squeeze together securing ring
6 - Secondary Air Injection Sensor 1 G609
- Installed from model year 2009
7 - Screws
- 2 Nm
- Installed from model year 2009
8 - Bracket
9 - Gasket
- Allocation.
10 - 10 Nm
11 - Intake manifold
- For secondary air injection pump
12 - Secondary Air Injection (AIR) Pump Motor V101
13 - Rubber bushing
14 - 25 Nm
15 - 10 Nm
16 - Intake manifold support
- With mount for Secondary Air Injection (AIR) pump motor V101
17 - Cylinder Head
18 - Intake tube







Connecting tube - tightening sequence
- Replace all seals of connecting tube - A -.
- Screw in all bolts only hand-tight.
- Tighten bolts - 1 - first, then bolt - 2 - and then bolt - 3 - to 10 Nm.