Curiosii for ever!: Car repair manuals for everyone.

Fuel System, Checking For Leaks






Fuel System, Checking for Leaks

Special tools, testers and auxiliary items required

Fuel System Tester (Smoke Tester) (KLI 9210)

Hose Adapter (KLI 9210/55-1)

Vehicle Diagnostic Tester

Hose Clamps up to 25 mm Diameter (3094)

Test Conditions

A leak was detected by the Leak Detection Pump (LDP) (V144).

Guided fault finding was performed with the vehicle diagnosis, testing and information system.

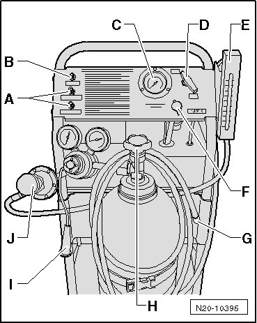
(KLI 9210) Preparation

Depending on the version, the appearance of the (KLI 9210) may vary.

- Check the (KLI 9210) to see whether there is enough fluid in the smoke generator.

- Set valve - D - to "Hold".





- Open the nitrogen bottle - H -.

- Connect the measuring hose - G - to the self test connection - B -.

- Set valve - D - to "Test".

- Using the pressure reducer - J -, adjust the pressure to 10 in. H2O (25 mbar).

- Set valve - D - to "Hold".

- The pressure must now be maintained a minimum of 2 minutes. If the pressure is not maintained, check the tester.

Fuel System, Checking for Leaks

- Connect the (KLI 9210/55-1) to the ventilation line - A - as shown.





- Connect measuring hose - G - from the (KLI 9210) to the (KLI 9210/55-1).





- Set valve - D - to "Hold".

- Connect the vehicle diagnosis, testing and information system to the vehicle.





- Start engine and run at idle speed.

- Select Guided Function operating mode on vehicle diagnostic tester.

- Select "Check tank ventilation system for leaks" guided function.

- Activate test.

- While the test runs, observe pressure gauge on (KLI 9210).

The LDP must pump the fuel system pressure up to at least 7 in. H2O (18 mbar).

The minimum pressure is not reached, but the pressure reached does not decrease:

- Switch ignition off and perform pressure retention test, refer to. If no drop in pressure is detected: check the vacuum supply from the LDP. Refer to => [ Leak Detection Pump, Checking Vacuum Supply ].

The minimum pressure is not reached and the pressure reached decreases immediately:

- Clamp off the hose to the Evaporative Emission (EVAP) canister purge regulator valve (N80) with a hose clamp - arrow -.





- Repeat the test. If the minimum pressure is now reached: replace the EVAP canister purge regulator valve.

The minimum pressure is not reached again and the pressure reached decreases immediately:

- There is a leak in the fuel system. Perform a fuel system leak test. Refer to => [ Fuel System Leak Test ].

If the minimum pressure is reached, switch ignition off.

The valve in the LDP is now closed and the pressure is maintained.

- Observe pressure gauge:

If the pressure does not decrease, perform a pressure retention test to locate any possible pinhole leaks.

If the pressure decreased, clamp off hose to the EVAP canister purge regulator valve with a hose clamp - arrow -.





- If pressure now no longer falls, replace EVAP canister purge regulator valve.

If the pressure still decreases, perform leak test in fuel system. Refer to => [ Fuel System Leak Test ].

Pressure Retention Test

- Set valve - D - to "Test". Increase present pressure up to 10 in. H2O (25 mbar).





- Observe the pressure gauge - C - and flow meter - E -. The fuel system is filled if the flow quantity decreases and the pressure increases to 10 in. H2O (25 mbar).

Depending on the level in the fuel tank, this procedure may take up to 3 minutes.

- After the pressure has stabilized, set valve - D - to " Hold".

After 5 minutes the pressure must not drop below H2O (20 mbar) drop.

If the pressure is not maintained for 5 minutes, the leak should be localized as follows

- First check EVAP canister purge regulator valve for leaks. Clamp off the hose to the EVAP canister purge regulator valve with a hose clamp - arrow -.





- Repeat pressure test by resetting valve - D - to " Test".





- Observe pressure gauge - C - and flow meter - E -. The fuel system is filled if the flow quantity decreases and the pressure increases to 10 in. H2O (25 mbar).

- After the pressure has stabilized, set valve - D - to " Hold".

- If pressure now no longer falls, replace EVAP canister purge regulator valve.

If the pressure still decreases, perform leak test in fuel system. Refer to => [ Fuel System Leak Test ].

After completing the work, perform check tank ventilation system for leaks guided function using the vehicle diagnosis, testing and information system VAS 5051.

Fuel System Leak Test

Test Conditions

Procedure for checking fuel system for leaks performed. Refer to => [ Fuel System, Checking for Leaks ] Testing and Inspection.

(KLI 9210) with (KLI 9210/55-1) connected to vehicle





- Connect the (KLI 9210) to the vehicle battery.

- Remove the rear right wheel housing liner.

- Clamp off hose between the Leak Detection Pump (LDP) (V144) and air filter - arrow -.





- Set valve - D - to "Test".





- Observe the pressure gauge - C - and flow meter - E -. The fuel system is filled if the flow quantity decreases and the pressure increases to 10 in. H2O (25 mbar).

- After the pressure has stabilized, set valve - D - to " Hold".

After 5 minutes the pressure must not drop below H2O (20 mbar) drop.

- If the pressure no longer decreases, replace the LDP.

If the pressure is not maintained for a minimum of 5 minutes or if no pressure is built up, localize the leak as follows:

- Fill fuel system with smoke by setting valve - D - to " Test".

- While fuel system is being filled, press smoke generator button - I - for approximately one minute.

The fuel system is now under pressure and filled with smoke.

- Check all fuel system lines and hoses for escaping smoke. Also check fuel tank sealing cap.

Illuminate components and hoses with a strong flood light, the smoke will be more visible.

To check for leaks at accessible locations, also use ultrasonic measuring device or commercially available leak detection spray.

Depending on how long fault finding lasts, the smoke generator button may need to be pressed again. This ensures there is enough smoke present in the fuel system.

To check fuel pump and fuel filter flange, the assembly openings in the vehicle interior must be opened.

- Replace leaking hoses or components.

After completing the work, perform the check tank ventilation system for leaks guided function using the vehicle tester.

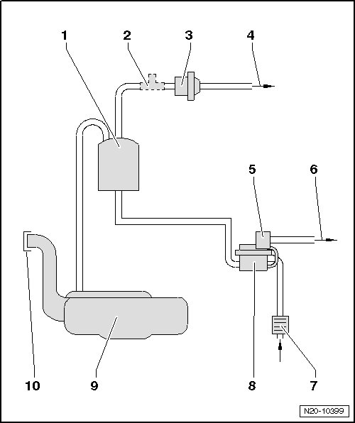
EVAP System Function Overview





1 Evaporative Emission (EVAP) Canister

2 Adapter Hose (KLI 9210/55-1) Installed Location

With leak test in fuel system.

3 Evaporative Emission (EVAP) Canister Purge Regulator Valve 1 (N80)

4 Vent Line

Throttle valve control module (J338).

5 Solenoid Valve

For the LDP.

6 Vacuum Line

To the intake manifold.

7 Air Filter Housing

For the LDP.

8 Leak Detection Pump (LDP) (V144)

9 Fuel Tank

10 Cap

Leak Detection Pump, Checking Vacuum Supply

Special tools, testers and auxiliary items required

Turbocharger Tester (V.A.G 1397A)

T-piece (251 201 346)

6 mm diameter hose

Leak Detection Pump (LDP) (V144) installed location: inside the right rear wheel housing under the wheel housing liner.

- Remove rear right wheel and wheel housing liner.

- Remove vacuum line - 1 - from the LDP.





- Connect the (V.A.G 1397A) with T-piece and 6 mm diameter hose between vacuum line - 1 - and LDP - 2 -.

- Switch on measuring range I (absolute pressure measurement).

- Connect vehicle tester and start engine.

- Select Guided Function operating mode on vehicle diagnostic tester.

- Select "Check tank ventilation system for leaks" guided function.

- Activate test.

- While the test is running, observe display on (V.A.G 1397A).

The pressure must pulsate and must not rise above 0.700 bar (absolute pressure) during the test.

- If the pressure rises above 0.700 bar during the test, the vacuum supply is too low. Check vacuum line to intake manifold for kinks or blockages.