Curiosii for ever!
: Car repair manuals for everyone.
Home
>>
Volkswagen
>>
2008
>>
Rabbit (1K1) L5-2.5L (BGP)
>>
Repair and Diagnosis
>>
Heating and Air Conditioning
>>
Compressor HVAC
>>
Locations
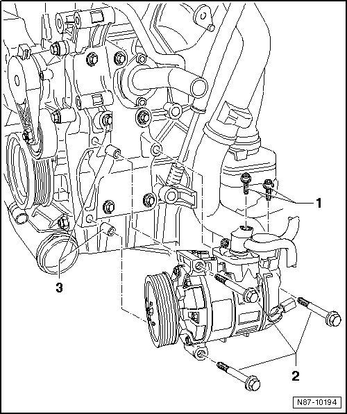
Compressor HVAC: Locations
Climatic / Climatronic Systems
A/C Compressor
- A/C Compressor Regulator Valve -N280-
•
Located on A/C compressor