Curiosii for ever!: Car repair manuals for everyone.

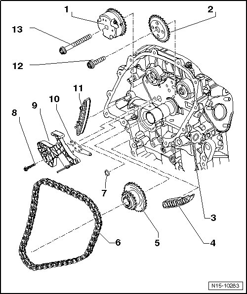
Timing Chain Assembly Overview






Timing Chain Assembly Overview





1 Cam shaft adjuster for intake camshaft

With chain sprocket

Do not disassemble

2 Chain sprocket for exhaust camshaft

Not pressed on camshaft

When removing, press off lightly if necessary

3 Cylinder Head

4 Tensioning rail

For chain tensioner for timing chain

Secured on cylinder block

Oil before installing pin

5 Double chain sprocket (drive wheel)

Securing => [ Power Take-Off Drive Chain Assembly Overview ] Service and Repair

6 Timing Chain

Removing:

- Work procedure as for "Adjust valve timing" => [ Valve Timing, Adjusting ] Valve Timing, Adjusting.

- Remove vacuum pump => [ Brake Booster Vacuum Pump ] Brake Booster Vacuum Pump.

- Mark direction of travel.

Note when installing:

- Place on in original direction of travel.

- Chain must lie correctly in tensioning and glide tracks.

- Adjust valve timing => [ Valve Timing, Adjusting ] Valve Timing, Adjusting.

7 Strainer

Replace

8 10 Nm

9 Chain tensioner

secure with pin (T03006)

10 Gasket

Replace

11 Guide rail

Oil before installing pin

12 60 Nm + 90° (1/4 turn) additional turn

Replace

13 60 Nm + 90° (1/4 turn) additional turn

Replace