Curiosii for ever!: Car repair manuals for everyone.

Passive Occupant Detection System (Overview)






Passive Occupant Detection System

=> [ Passive Occupant Detection System Safety Precautions ]

=> [ After an Accident with Belt Tensioner and/or Airbag Deployment ]

=> [ Passive Occupant Detection System Assembly Overview ]

=> [ Passive Occupant Detection System Repair Kit Components ]

Passive Occupant Detection System Safety Precautions

CAUTION!
After every repair on the passenger seat in which the seat and/or backrest cover was "disengaged" basic setting on Seat Occupied Recognition Control Module (J706) must be performed. Perform basic setting with a diagnostic tester that has "Guided Fault Finding ".

Do not bend the passenger occupant detection system mat.

A leaking mat must be replaced (repair kit).

Do not bend the passenger occupant detection system pressure hose.

Seat occupied recognition (repair kit) components must not fall on hard surfaces.

Seat occupied recognition components must not come in contact with grease.

There is the danger that the seat occupied recognition components may be damaged by sharp objects when working on the seat. It is necessary to avoid this danger.

The mat, the crease and various covers must be fitted to be free of folds.

When installing, ensure upholstery and cover are installed correctly.

Replace all upholstery clips and clip connectors from cover, ensure it is positioned correctly on seat when doing so.

System basic setting is only possible at temperatures between 32° and 104° F (0° and +40° C).

Make sure that no objects are placed on seat when performing basic setting.

Use of seat covers, such as cushions or something similar, impairs seat occupied recognition function and airbag system effectiveness.

After an Accident with Belt Tensioner and/or Airbag Deployment

Each time passenger airbag and/or belt pretensioner on passenger side is deployed, Seat Occupied Recognition Control Module (J706) basic setting must be performed. Perform basic setting with a diagnostic tester that has "Guided Fault Finding".

If the seat rails and/or seat pan must be replaced after an accident due to deformation, seat occupied recognition must also be replaced with " seat occupied recognition repair kit". Then, Seat Occupied Recognition Control Module (J706) basic setting must be performed. Perform basic setting with a diagnostic tester that has " Guided Fault Finding".

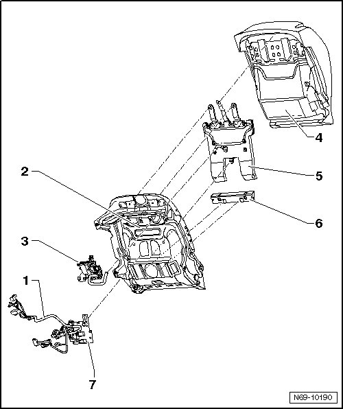
Passive Occupant Detection System Assembly Overview





1 Wiring Harness, Seat

2 Seat Frame

3 Seat Occupied Recognition Control Module (J706)

4 Seat Cushion

Must not be separated from mat for seat occupied recognition.

5 Passive Occupant Detection System Mat

The pressure hose must not be disconnected from the seat occupied recognition mat.

6 Insert Profile

Note installation position

7 Retaining Plate

White

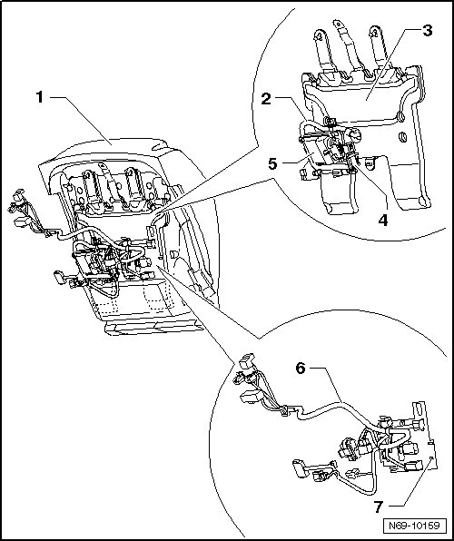
Passive Occupant Detection System Repair Kit Components

If a system component malfunctions, it must be replaced with components from the repair kit. Repair set is already matched to characteristics of vehicle to be repaired and contains the following components.

CAUTION!
Never use repair set components separately.





1 Seat Cushion

2 Pressure Hose

3 Passive Occupant Detection System Mat

4 Seat Occupied Recognition Pressure Sensor (G452)

5 Seat Occupied Recognition Control Module (J706)

6 Main Wiring Harness, Seat

7 Retaining Plate

White

CAUTION!
Read and follow instructions for use on package of repair set. Misapplication may lead to malfunction of system.

Required Importer Notification

After installing "seat occupied recognition repair kit" and/or " belt force sensor", labels (tear-off strips only) from the new components must be affixed to the "registration tag 2 for airbag systems". " Registration tag 2 for airbag systems" should be sent to importer for registration.