Curiosii for ever!: Car repair manuals for everyone.

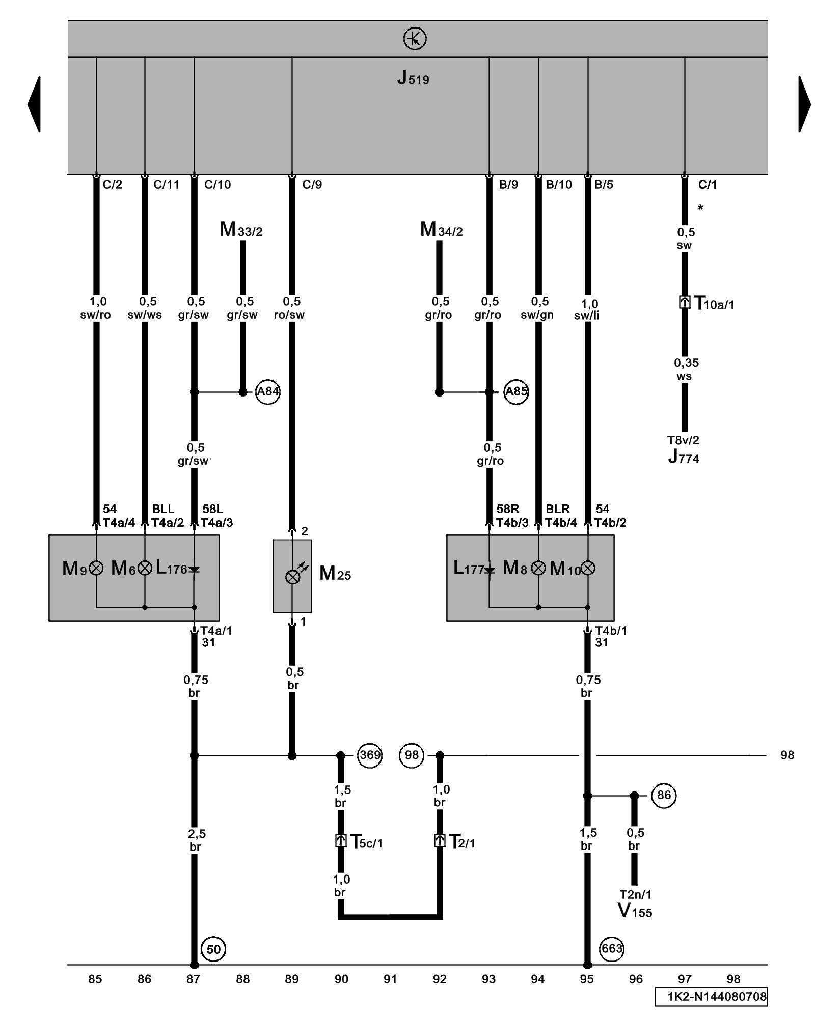
Diagram 144/8 (Tracks 85-98)






IMPORTANT NOTE:
This manufacturer uses "Track" style wiring diagrams.
For information on how to use these diagrams effectively, please refer to Diagram Information and Instructions. Diagram Information and Instructions


Vehicle Electrical System Control Module, Right /left LED Parking Lamp/DRL Module, Left/right Rear Turn Signal Lamps, Left/right Brake Lamps, High-mount Brake Light





ws = white
sw = black
ro = red
br = brown
gn = green
bl = blue
gr = grey
li = lilac
ge = yellow
or = orange
rs = pink

J519 - Vehicle Electrical System Control Module Component Locations Vehicle Electrical System Control Module -J519-

J774 - Front Heated Seats Control Module

L176 - Left LED Parking Lamp/DRL Module

L177 - Right LED Parking Lamp/DRL Module

M6 - Left Rear Turn Signal Lamp

M8 - Right Rear Turn Signal Lamp

M9 - Left Brake Lamp

M10 - Right Brake Lamp

M25 - High-mount Brake Light

M33 - Left Front Side Marker Lamp

M34 - Right Front Side Marker Lamp

T2 - Double Connector

T2n - Double Connector

T4a - 4-Pin Connector

T4b - 4-Pin Connector

T5c - 5-Pin Connector

T8v - 8-Pin Connector

T10a - 10-Pin Connector

V155 - Fuel Tank Lid Unlock Motor Central Locking / Anti-Theft Systems

(50) - Ground Connection (in luggage compartment, left)

(86) - Ground Connection 1 (in rear wiring harness)

(98) - Ground Connection (in rear lid wiring harness)

(369) - Ground Connection 4 (in main wiring harness)

(663) - Ground Connection (on right rear C-pillar)

(A84) - Connection (58L) (in Instrument panel wiring harness)

(A85) - Connection (58R) (in Instrument panel wiring harness)

(*) - Vehicles with heated seats only

Previous Diagram 144/7 (Tracks 71-84)

Next Diagram 144/9 (Tracks 99-112)