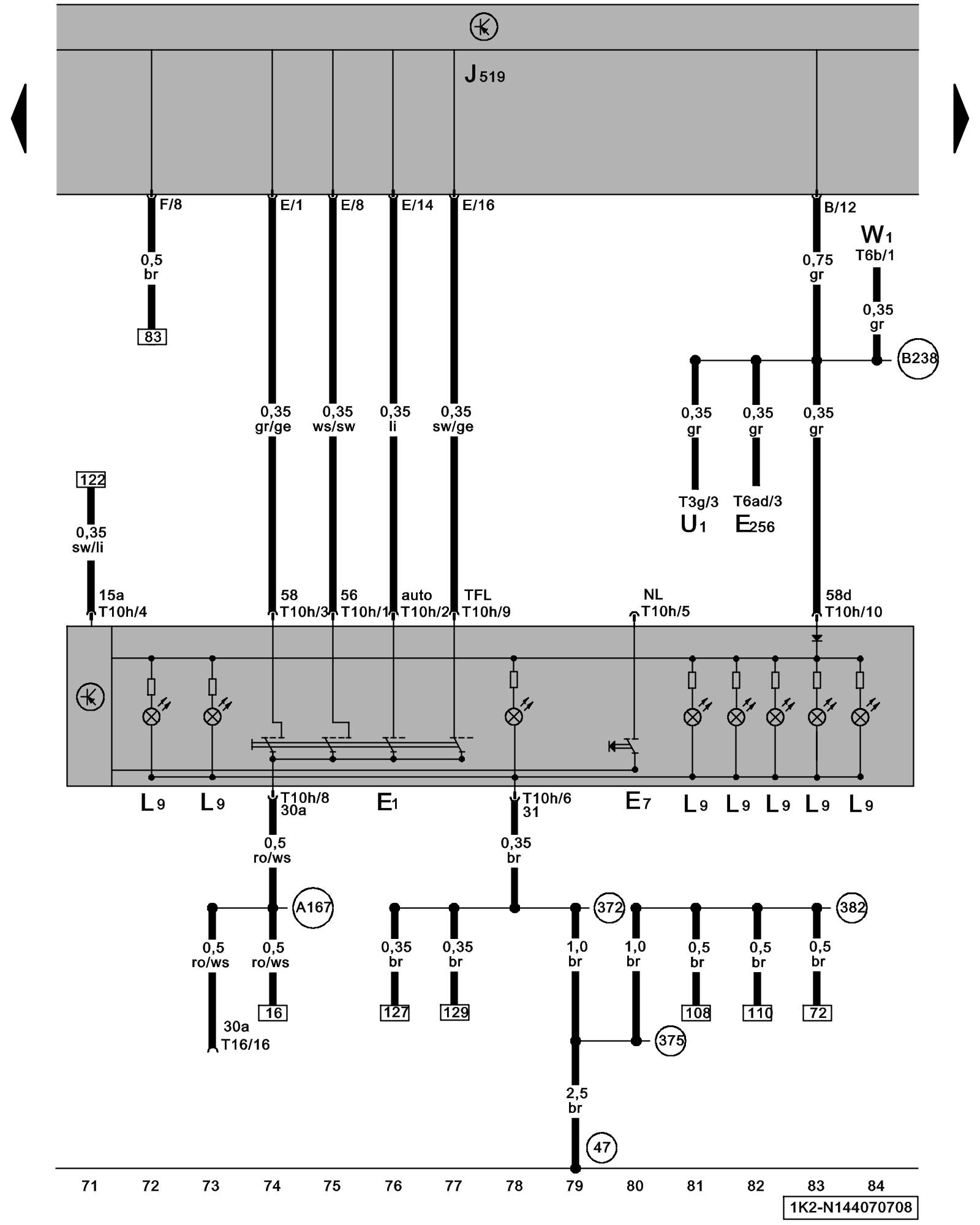
Diagram 144/7 (Tracks 71-84)
IMPORTANT NOTE:
This manufacturer uses "Track" style wiring diagrams.
For information on how to use these diagrams effectively, please refer to Diagram Information and Instructions. Diagram Information and Instructions
Light Switch, Vehicle Electrical System Control Module
ws = white
sw = black
ro = red
br = brown
gn = green
bl = blue
gr = grey
li = lilac
ge = yellow
or = orange
rs = pink
E1 - Light Switch
E7 - Fog Lamp Switch
E256 - ASR/ESP Button
J519 - Vehicle Electrical System Control Module Component Locations Vehicle Electrical System Control Module -J519-
L9 - Headlamp Switch Illumination
T3g - 3-Pin Connector, at U1
T6b - 6-Pin Connector
T6ad - 6-Pin Connector, at L76
T10h - 10-Pin Connector, at E1
T16 - 16- Pin Connector, Data Link Connector (DLC), below steering column, left
U1 - Cigarette Lighter
W1 - Front Interior Light Telematics System Overview
(47) - Ground Connection (in right front footwell)
(372) - Ground Connection 7 (in main wiring harness)
(375) - Ground Connection 10 (in main wiring harness)
(382) - Ground Connection 17 (in main wiring harness)
(A167) - Plus Connection 3 (30a) (in instrument panel wiring harness)
(B238) - Plus Connection 2 (58b) (in interior wiring harness)
Previous Diagram 144/6 (Tracks 57-70)
Next Diagram 144/8 (Tracks 85-98)