Curiosii for ever!: Car repair manuals for everyone.

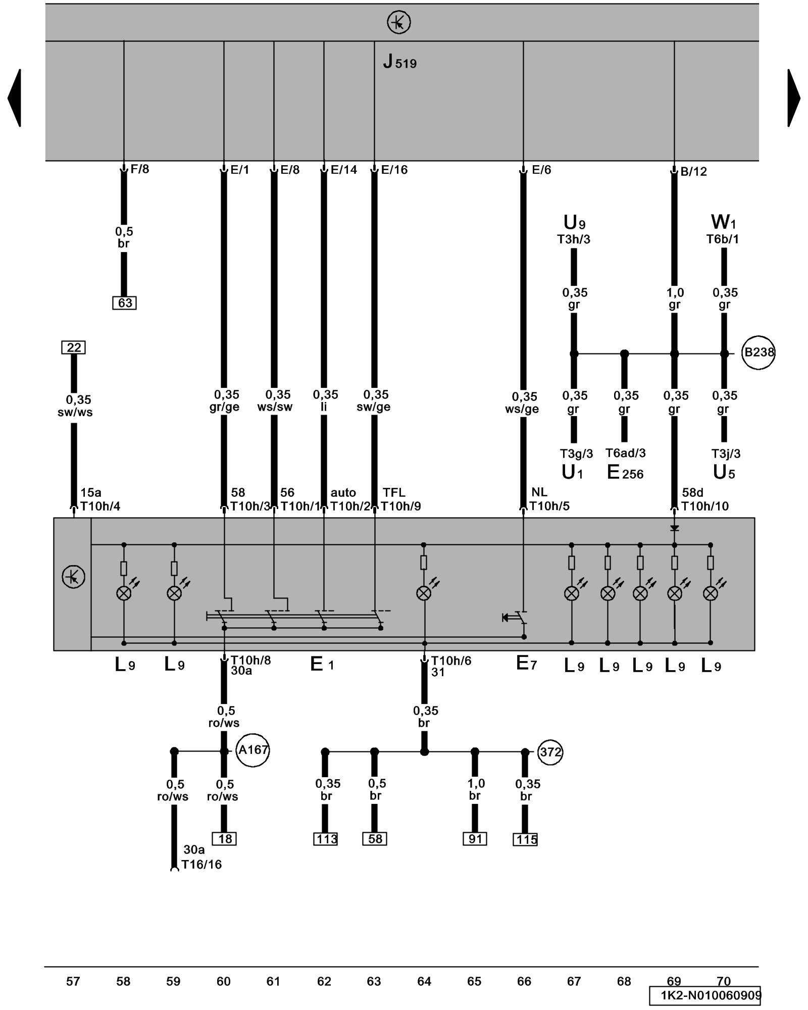
Diagram 10/6 (Tracks 57-70)






IMPORTANT NOTE:
This manufacturer uses "Track" style wiring diagrams.
For information on how to use these diagrams effectively, please refer to Diagram Information and Instructions. Diagram Information and Instructions


Light switch, Vehicle Electrical System Control Module





ws = white
sw = black
ro = red
br = brown
gn = green
bl = blue
gr = grey
li = lilac
ge = yellow
or = orange
rs = pink

E1 - Light Switch

E7 - Fog Light Switch

E256 - ASR/ESP Button

J519 - Vehicle Electrical System Control Module Component Locations Vehicle Electrical System Control Module -J519-

L9 - Headlight Switch Light

T3g - 3-Pin Connector, at U1

T3h - 3-Pin Connector, at U9

T3j - 3-Pin Connector, at U5

T6b - 6-Pin Connector

T6ad - 6-Pin Connector, at L76

T10h - 10-Pin Connector, at E1

T16 - 16- Pin Connector, Data Link Connector (DLC), below steering column, left

U1 - Cigarette Lighter

U5 - 12 V Socket

U9 - Rear Cigarette Lighter

W1 - Front Interior Light Telematics System Overview

(372) - Ground Connection 7 (in main wiring harness)

(A167) - Plus Connection 3 (30a) (in instrument panel wiring harness)

(B238) - Plus Connection 2 (58b) (in interior wiring harness)

Previous Diagram 10/5 (Tracks 43-56)

Next Diagram 10/7 (Tracks 71-84)