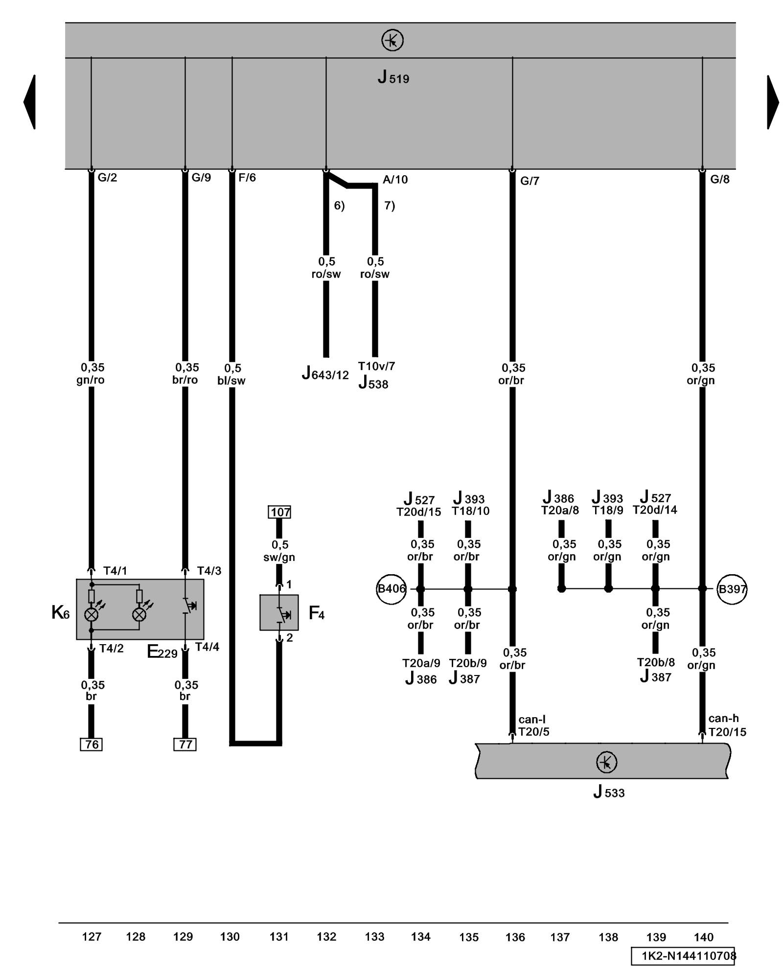
Diagram 144/11 (Tracks 127-140)
IMPORTANT NOTE:
This manufacturer uses "Track" style wiring diagrams.
For information on how to use these diagrams effectively, please refer to Diagram Information and Instructions. Diagram Information and Instructions
Emergency Flasher Button, Back-Up Light Switch, Vehicle Electrical System Control Module, Data Bus On Board Diagnostic Interface, Emergency Flasher Indicator Lamp
ws = white
sw = black
ro = red
br = brown
gn = green
bl = blue
gr = grey
li = lilac
ge = yellow
or = orange
rs = pink
E229 - Emergency Flasher Button
F4 - Back-Up Light Switch Locations
J386 - Driver Door Control Module Component Locations
J387 - Front Passenger Door Control Module Component Locations Central Locking / Anti-Theft Systems
J393 - Comfort System Central Control Module Comfort System Central Control Module -J393-
J519 - Vehicle Electrical System Control Module Component Locations Vehicle Electrical System Control Module -J519-
J527 - Steering Column Electronic Systems Control Module Component Locations Locations
J533 - Data Bus On Board Diagnostic Interface Component Locations Locations
J538 - Fuel Pump (FP) Control Module Locations
J643 - Fuel Primer Relay
K6 - Emergency Flasher Indicator Lamp
T4 - 4-Pin Connector, at K6 and E3
T10v - 10-Pin Connector
T18 - 18-Pin Connector, at J393
T20 - 20-Pin Connector, at J533
T20a - 20-Pin Connector, at J386
T20b - 20-Pin Connector, at J387
T20d - 20-Pin Connector, at J527
(B397) - Comfort System CAN-Bus High Connection 1 (in main wiring harness)
(B406) - Comfort System CAN-Bus Low Connection 1 (in main wiring harness)
6) - Engine code CBTA, CBUA, only
7) - Engine code CCTA, CBFA, only
Previous Diagram 144/10 (Tracks 113-126)
Next Diagram 144/12 (Tracks 141-154)