Curiosii for ever!: Car repair manuals for everyone.

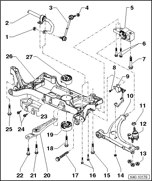
Subframe, Stabilizer Bar and Control Arms Assembly Overview






Subframe, Stabilizer Bar and Control Arms Assembly Overview

CAUTION!
Welding and straightening work on supporting or wheel carrying components of suspension is not permitted.

Always replace self-locking nuts.

Always replace corroded bolts/nuts.





1 Nut

65 Nm

Counterhold at socket head of joint bolt when tightening.

Self-locking

Always replace after removal.

2 Stabilizer Bar

Various versions

Removing and installing, refer to => [ Stabilizer Bar ] Stabilizer Bar.

3 Coupling Rod

Linking stabilizer to suspension strut.

4 Nut

65 Nm

Counterhold at socket head of joint bolt when tightening.

Self-locking

Always replace after removal.

5 Mounting Bracket

Locating, refer to => [ Securing Mounting Bracket ] Subframe, Securing.

With bonded rubber bushing.

6 Bolt

M10 x 70

50 Nm + 90° turn

Always replace after removal.

7 Bolt

M12 x 1.5 x 100

70 Nm + 180° turn

Always replace after removal.

8 Bolt

M6 x 16

9 Nm

9 Left Front Level Control System Sensor (G78)

Removing and installing, refer to => [ Front Left Level Control System Sensor ] .

Can be checked in Guided Fault Finding using the Vehicle Diagnosis, Testing and Information System (VAS 5051).

10 Control Arm

Replace with ball joint if damaged.

Removing and installing, refer to => [ Control Arm with Mounting Bracket ] Control Arm With Mounting Bracket.

Replace bearing, refer to => [ Control Arm Bonded Rubber Bushing ] Service and Repair.

it is possible there are different control arm versions (steel, sheet steel, aluminum).

Do not install control arms made of different versions or made of different materials on the right and left sides.

11 Nut

M12 x 1.5

20 Nm + 90° turn

Self-locking

Always replace after removal.

12 Ball Joint

Checking, refer to => [ Ball Joint, Checking ] Front Suspension.

Removing and installing, refer to => [ Ball Joint ] Removal and Replacement.

Replace with control arm if damaged.

13 Nut

Cast steel control arm: 60 Nm

Steel and aluminum control arms: 100 Nm

Self-locking

Always replace after removal.

14 Nut

9 Nm

15 Bolt

M12 x 1.5 x 100: 70 Nm + 180° turn

M12 x 1.5 x 110: 70 Nm + 90° turn

Always replace after removal.

16 Bolt

M8 x 55

20 Nm + 90° turn

Always replace after removal

17 Bolt

M12 x 1.5 x 110

70 Nm + 180° turn

Always replace after removal.

Tighten only in curb weight position. Refer to => [ Wheel Bearing, Lifting to Curb Weight Position ] Procedures.

18 Bolt

M14 x 1.5 x 70

100 Nm + 90° turn

Only tighten when pendulum support is bolted to transmission.

Always replace after removal.

19 Lower Bonded Rubber Bushing for Pendulum Support

Ejecting and pressing in, refer to => [ Subframe Bonded Rubber Bushings ] Service and Repair.

20 Pendulum Support

Bolt first to transmission, then to subframe.

Various versions

21 Bolt

Always pay attention the bolt size and strength class. There are different tightening specifications.

M10 x 75 strength class 8.8: 40 Nm + 90° turn

M10 x 75 strength class 10.9: 50 Nm + 90° turn

CAUTION!
From MY 2008, Heli-Coil inserts are installed in the threads for the pendulum support threaded connection in the 02Q manual transmissions. Differences

On these and all other transmissions, use strength class 10.9 bolts.

If, in the 02Q manual transmissions, there is not Heli-Coil insert, then use 8.8 strength class bolts and the appropriate tightening specification.

M12 x 1.5 x 85: 60 Nm + 90° turn

Always replace after removal

22 Bolt

Pay attention to the bolt strength class. There are different tightening specifications.

M10 x 35 strength class 8.8: 40 Nm + 90° turn

M10 x 35 strength class 10.9: 50 Nm + 90° turn

CAUTION!
From MY 2008, Heli-Coil inserts are installed in the threads for the pendulum support threaded connection in the 02Q manual transmissions. Differences

On these and all other transmissions, use strength class 10.9 bolts.

If, in the 02Q manual transmissions, there is not Heli-Coil insert, then use 8.8 strength class bolts and the appropriate tightening specification.

Always replace after removal

23 Shield

24 Bolt

6 Nm

25 Bolt

M12 x 1.5 x 90

70 Nm + 180° turn

Always replace after removal.

26 Subframe

Locating, refer to => [ Subframe, Securing ] Subframe, Securing.

Lowering, refer to => [ Subframe, Lowering ] Subframe, Lowering.

Removing and installing without steering gear, refer to => [ Subframe without Steering Gear ] Subframe Without Steering Gear.

Removing and installing with steering gear, refer to => [ Subframe with Steering Gear ] Subframe With Steering Gear.

Various versions.

27 Upper Bonded Rubber Bushing for Pendulum Support

Ejecting and pressing in, refer to => [ Subframe Bonded Rubber Bushings ] Service and Repair.