Curiosii for ever!: Car repair manuals for everyone.

A/C Compressor






A/C Compressor

Special tools, testers and auxiliary items required

Torque wrench (V.A.G 1331) (5 to 50 Nm)

A/C service station (VAS 6007A)

Flush the refrigerant circuit with R134a refrigerant under the following conditions:

In the event of dirt or other contamination in the refrigerant circuit.

If vacuum reading is not maintained on evacuating a leak-free refrigerant circuit (pressure build-up due to moisture in refrigerant circuit).

If refrigerant circuit has been left open for longer than normal (e.g. following an accident).

If pressure and temperature measurements in the refrigerant circuit indicate the likelihood of moisture

In the event of doubt about the amount of refrigerant oil in the circuit.

The A/C compressor had to be replaced on account of internal damage (e.g. noise or no output).

The flushing procedure is described in the repair information.

Removing

- Extract refrigerant e.g. using A/C service station (VAS 6007A), only then open the refrigerant circuit. Observe notes => [ Refrigerant Circuit Components ] [1][2]Description and Operation.

CAUTION!
There is a danger of ice-up.

Refrigerant leaks out if refrigerant circuit is not discharged.

Refrigerant must be extracted before opening refrigerant circuit. If refrigerant circuit is not opened within 10 minutes of extraction, pressure may form in refrigerant circuit due to evaporation. Extract refrigerant once more.

- Remove noise insulation beneath engine.

- Remove the ribbed belt.

- Disconnect the A/C compressor regulator valve (N280) connector.

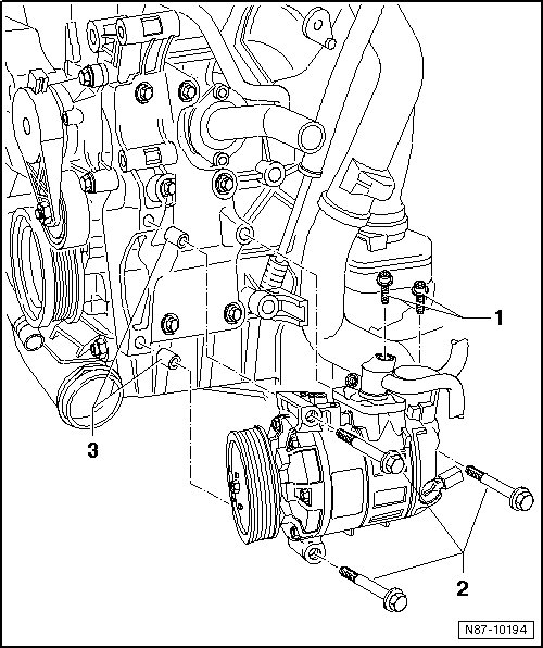
- Remove the bolts (22 Nm ± 1 Nm) - 1 - from the A/C compressor and disconnect the refrigerant lines from the A/C compressor.

- Remove the hex bolts - 2 - and remove the A/C compressor.





Installing

Make sure alignment bushings - 3 - are seated correctly.

Pay attention to notes for installing A/C compressor. Refer to => [ A/C Compressor ] Description and Operation.