Curiosii for ever!: Car repair manuals for everyone.

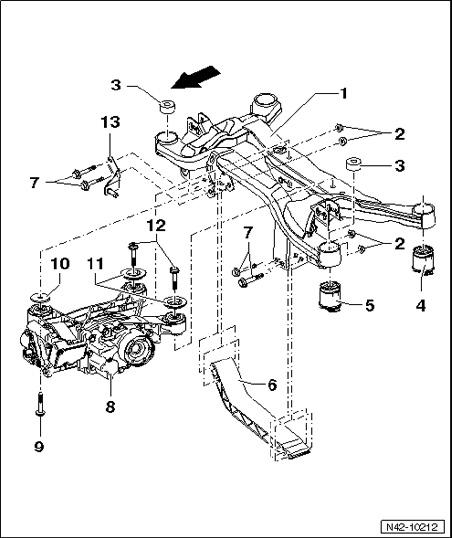
Subframe, Final Drive - All Wheel Drive (AWD), Assembly Overview



Subframe, final drive - All Wheel Drive (AWD), assembly overview

The - arrow - points in direction of travel.





1 - Subframe

2 - Nut
^ Tightening torque
^ Replace each time it is removed

3 - Spacer sleeve
^ Between subframe front bonded rubber bushings and body

4 - Rear bonded rubber bushing

5 - Front bonded rubber bushing

6 - Cross member

7 - Hex head screw

8 - Final drive

9 - Bolt
^ Tightening torque

10 - Washer
^ installed between final drive and subframe

11 - Washer
^ washer must be placed with holes on tabs of bonded rubber bushing

12 - Bolt
^ Tightening torque

13 - Bracket