Curiosii for ever!: Car repair manuals for everyone.

Fuel/EVAP System, Checking For Leaks






Fuel/EVAP System, Checking for Leaks

=> [ Large Leak Test in Fuel System ]

=> [ EVAP System Function Overview ]

=> [ Leak Detection Pump, Checking Vacuum Supply ]

Special tools, testers and auxiliary items required

Fuel system tester (smoke tester) (KLI 9210)

Hose adapter (KLI9210/55-1)

Vehicle diagnostic tester (VAS 5051B)

Hose clamps up to 25 mm dia (3094)

Conditions

A leak was detected by the Leak Detection Pump (LDP) (V144).

Guided fault finding was performed with the vehicle diagnosis, testing and information system (VAS 5051B).

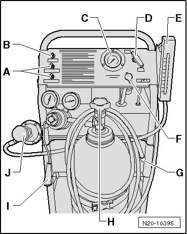
(KLI 9210) Preparation

Depending on the version, the appearance of the (KLI 9210) may vary.

- Check the (KLI 9210) to see if there is enough fluid in the smoke generator.

- Set the valve - D - to "Hold".





- Open the nitrogen bottle - H -.

- Connect the measuring hose - G - to the self test connection - B -.

- Set the valve - D - to "Test".

- Using the pressure reducer - J -, adjust the pressure to 10 in. H2O (25 mbar).

- Set the valve - D - to "Hold".

The pressure must now be maintained for a minimum of 2 minutes.

If the pressure is not maintained:

- Check the tester.

Fuel System, Checking for Leaks

- Connect the (KLI9210/55-1) to the ventilation line - A - as shown.





- Connect the measuring hose from the (KLI 9210) to the (KLI9210/55-1).

- Connect the (KLI 9210) to the vehicle's battery.

- Connect the (VAS 5051B) to the vehicle.





- Start the engine and run at idle speed.

- Select the Guided Functions operating mode on the (VAS 5051B).

- Select "Check tank ventilation system for leaks" guided function.

- Activate test.

- While the test runs, observe the pressure gauge on (KLI 9210).

The LDP must pump the fuel system pressure up to at least 18 mbar (7 in. H2O).

The minimum pressure is not reached, but the pressure reached does not decrease: Check the LDP vacuum supply. Refer to => [ Leak Detection Pump, Checking Vacuum Supply ].

The minimum pressure is not reached and the pressure reached decreases immediately: Large leak in the fuel system, perform the " Large leak test in fuel system" test. Refer to [ Large Leak Test in Fuel System ].

If the pressure is reached, switch the ignition off.

The valve in the LDP is now closed and the pressure is maintained.

- Set the valve - D - to "Test". Increase the present pressure up to 25 mbar (10 in. H2O).





- Observe the pressure gauge - C - and flow meter - E -. If the flow quantity decreases and pressure increases to 25 mbar (10 in. H2O), fuel system is filled.

Depending on the level in the fuel tank, this procedure may take up to 3 minutes.

- After the pressure has stabilized, set the valve - D - to " Hold".

After 5 minutes the pressure must not drop below 20 mbar (8 in. H2O).

If the pressure is not maintained for 5 minutes, the leak should be localized as follows:

- First check the Evaporative Emission (EVAP) canister purge regulator valve (N80) for leaks. Clamp off the hose to the EVAP canister purge regulator valve using (3094).





- Repeat the pressure test by resetting the valve - D - to " Test".





- Observe the pressure gauge - C - and flow meter - E -. If the flow quantity decreases and pressure increases to 25 mbar (10 in. H2O), fuel system is filled.

- After the pressure has stabilized, set the valve - D - to " Hold".

- If pressure now no longer falls, replace the EVAP canister purge regulator valve.

If pressure still drops:

- Remove the rear right wheel housing liner.

- Clamp - arrow - off the hose between the LDP and the air filter.





- Set the valve - D - to "Test".





- Observe the pressure gauge - C - and flow meter - E -. If the flow quantity decreases and pressure increases to 25 mbar (10 in. H2O), fuel system is filled.

Depending on the level in the fuel tank, this procedure may take up to 3 minutes.

- After the pressure has stabilized, set the valve - D - to " Hold".

After 5 minutes the pressure must not drop below 20 mbar (8 in. H2O).

- If the pressure no longer decreases, replace the LDP.

If pressure still drops:

- Reset the valve - D - to "Test".

- While the fuel system is being filled, press the smoke generator button - I - for approximately one minute.

The fuel system is now under pressure and filled with smoke.

- Check all fuel system lines and hoses for escaping smoke. Also check the fuel tank sealing cap.

Illuminate components and hoses with a strong flood light, the smoke will be more visible.

To check for leaks at accessible locations, also use ultrasonic measuring device or commercially available leak detection spray.

Depending on how long the fault finding lasts, the smoke generator button may have to be pressed again. This ensures there is enough smoke present in the fuel system.

To check the fuel pump and fuel delivery unit flange, the assembly openings in the vehicle interior must be opened.

- Replace leaking hoses or components.

After completing the work, perform the "Check tank ventilation system for leaks" guided function with the (VAS 5051B).

Large Leak Test in Fuel System

Conditions

(KLI 9210) with (KLI 9210/55-1) connected to vehicle.

- Remove the rear right wheel housing liner.

- Clamp - arrow - off the hose between the LDP and air filter.





- Set the valve - D - to "Test".





- While the fuel system is being filled, press the smoke generator button - I - for approximately one minute.

The fuel system is now under pressure and filled with smoke.

- Check all fuel system lines and hoses for escaping smoke. Also check fuel tank sealing cap.

Illuminate components and hoses with a strong flood light, the smoke will be more visible.

To check for leaks at accessible locations, also use ultrasonic measuring device or commercially available leak detection spray.

Depending on how long the fault finding lasts, the smoke generator button may have to be pressed again. This ensures there is enough smoke present in the fuel system.

To check the fuel pump and fuel delivery unit flange, the assembly openings in the vehicle interior must be opened.

- Replace leaking hoses or components.

After completing the work, perform the "Check tank ventilation system for leaks" guided function with the (VAS 5051B).

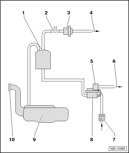
EVAP System Function Overview





1 Evaporative Emission (EVAP) Canister

2 Adapter Hose (KLI 9210/55-1) Installed Location

With leak test in fuel system.

3 Evaporative Emission (EVAP) Canister Purge Regulator Valve 1 (N80)

4 Vent Line

To the throttle valve control module (J338)

5 Solenoid Valve

For the LDP.

6 Vacuum Line

Vehicles through Model Year (MY) 2009: to the intake manifold,

Vehicles from MY 2010: to the connection to the vacuum line between the vacuum pump and the brake booster,



7 Air Filter Housing

For the LDP.

8 Leak Detection Pump (LDP) (V144)

9 Fuel Tank

10 Cap

Leak Detection Pump, Checking Vacuum Supply

Special tools, testers and auxiliary items required

Turbocharger tester (VAG 1397A)

T-piece (251 201 346)

Vehicle diagnostic tester

6 millimeter (mm) diameter hose

Leak Detection Pump (LDP) (V144) installed location: Under the wheel housing liner in the right rear wheel housing.

- Remove the rear right wheel and wheel housing liner.

- Disconnect the vacuum line - 1 - from the LDP.





- Connect the (VAG 1397A) with the T-piece and 6 mm diameter hose between the vacuum line - 1 - and the LDP - 2 -.

- Switch on the measuring range I (absolute pressure measurement).

- Connect the vehicle tester and start the engine.

- Select Guided Functions operating mode on vehicle diagnostic tester.

- Select "Check tank ventilation system for leaks" guided function.

- Activate test.

- While the test is running, observe display on the (VAG 1397A).

The pressure must pulsate and must not rise above 0.700 bar (absolute pressure) during the test.

If the pressure rises above 0.700 bar during the test, the vacuum supply is too low.

- Vehicles through MY 2009: make sure there the vacuum line leading to the intake manifold is not bent or plugged.

- Vehicles from MY 2010: make sure the vacuum line for the connection to the vacuum line between the vacuum pump and brake booster is not bent or plugged.