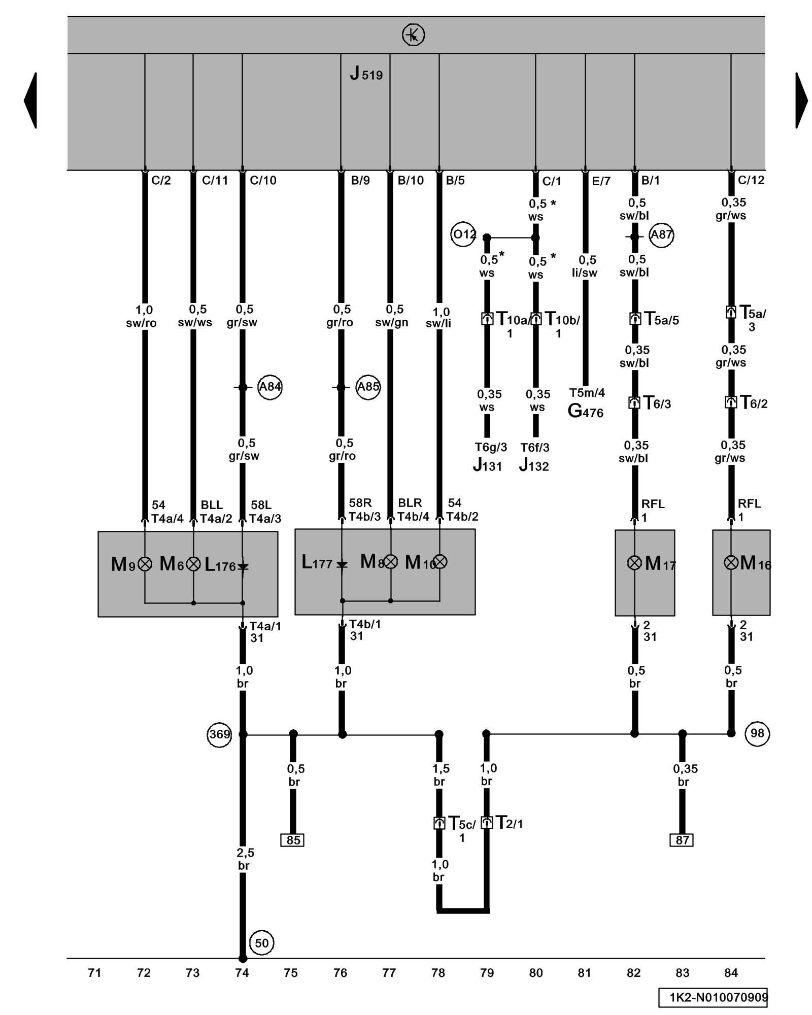
Diagram 10/7 (Tracks 71-84)
IMPORTANT NOTE:
This manufacturer uses "Track" style wiring diagrams.
For information on how to use these diagrams effectively, please refer to Diagram Information and Instructions. Diagram Information and Instructions
Vehicle Electrical System Control Module, Right/left Taillamps, Left/right Rear Turn Signal Lamps, Left/right Brake Lamps, Left/right Back-Up Lamps
ws = white
sw = black
ro = red
br = brown
gn = green
bl = blue
gr = grey
li = lilac
ge = yellow
or = orange
rs = pink
G476 - Clutch Position Sensor
J131 - Driver's Heated Seat Control Module Component Locations Heated Driver Seat Control Module -J131-
J132 - Front Passenger's Heated Seat Control Module Heated Front Passenger Seat Control Module -J132-
J519 - Vehicle Electrical System Control Module Component Locations Vehicle Electrical System Control Module -J519-
L176 - Left LED Parking Lamp/DRL Module
L177 - Right LED Parking Lamp/DRL Module
M6 - Left Rear Turn Signal Lamp
M8 - Right Rear Turn Signal Lamp
M9 - Left Brake Lamp
M10 - Right Brake Lamp
M16 - Left Back-Up Lamp
M17 - Right Back-Up Lamp
T2 - Double Connector
T4a - 4-Pin Connector
T4b - 4-Pin Connector
T5a - 5-Pin Connector
T5c - 5-Pin Connector
T5m - 5-Pin Connector
T6 - 6-Pin Connector
T6g - 6-Pin Connector
T6f - 6-Pin Connector
T10a - 10-Pin Connector
T10b - 10-Pin Connector
(50) - Ground Connection, in luggage compartment, left
(98) - Ground Connection, in rear lid wiring harness
(369) - Ground Connection 4 (in main wiring harness)
(A84) - Connection (58L) (in Instrument panel wiring harness)
(A85) - Connection (58R) (in Instrument panel wiring harness)
(A87) - Back-up Lamp Connection (in instrument panel wiring harness)
(O12) - Connection 1 (in heated seat wiring harness)
(*) - Vehicles with heated seats only
Previous Diagram 10/6 (Tracks 57-70)
Next Diagram 10/8 (Tracks 85-98)