Curiosii for ever!: Car repair manuals for everyone.

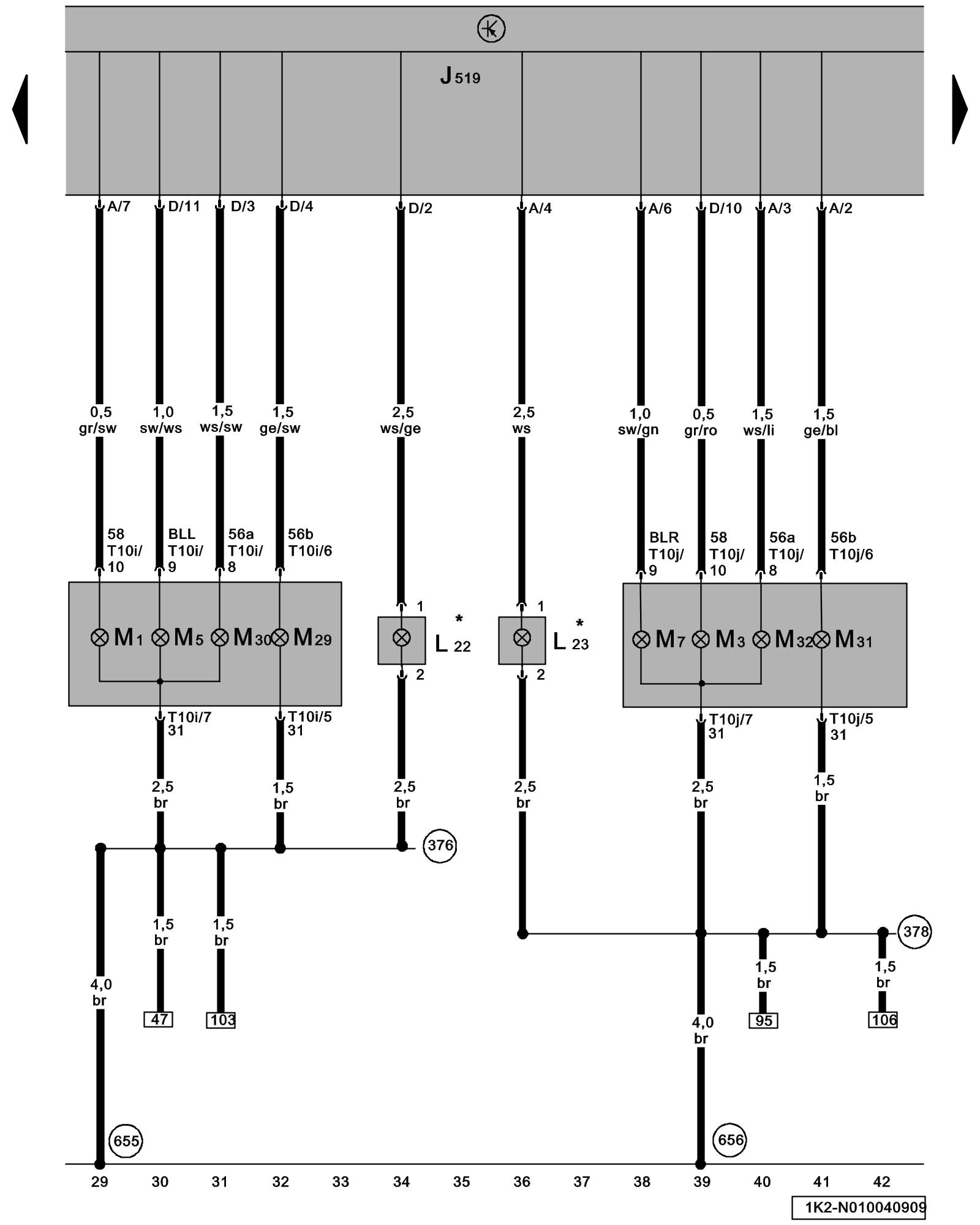
Diagram 10/4 (Tracks 29-42)






IMPORTANT NOTE:
This manufacturer uses "Track" style wiring diagrams.
For information on how to use these diagrams effectively, please refer to Diagram Information and Instructions. Diagram Information and Instructions


Vehicle Electrical System Control Module, Left/right Front Fog Lamps, Left/right Parking Lamps, Left/right Front Turn Signal Lamps, Left/right Low/High Beam Headlamps





ws = white
sw = black
ro = red
br = brown
gn = green
bl = blue
gr = grey
li = lilac
ge = yellow
or = orange
rs = pink

J519 - Vehicle Electrical System Control Module Component Locations Vehicle Electrical System Control Module -J519-

L22 - Left Front Fog Lamp

L23 - Right Front Fog Lamp

M1 - Left Parking Lamp

M3 - Right Parking Lamp

M5 - Left Front Turn Signal Lamp

M7 - Right Front Turn Signal Lamp

M29 - Left Low Beam Headlamp

M30 - Left High Beam Headlamp

M31 - Right Low Beam Headlamp

M32 - Right High Beam Headlamp

T10i - 10-Pin Connector

T10j - 10-Pin Connector

(376) - Ground Connection 11 (in main wiring harness)

(378) - Ground Connection 13 (in main wiring harness)

(655) - Ground Connection (on left Headlamp)

(656) - Ground Connection (on right Headlamp)

* - Vehicles with Fog Lamps only

Previous Diagram 10/3 (Tracks 15-28)

Next Diagram 10/5 (Tracks 43-56)