Curiosii for ever!: Car repair manuals for everyone.

Computers and Control Systems: Locations







Engine Management Systems

3.2L BUB and CBRA Overview







1 - 3-pin harness connector

2 - Knock Sensor 1 -G61- => [ Cylinder Block and Components Assembly Overview ] See Image Below.

3 - Evaporative Emission (EVAP) Canister Purge Regulator Valve 1 -N80- => [ EVAP System Overview ] See Image Below.

4 - Heated Oxygen Sensor (HO2S) -G39- => [ Oxygen Sensors ] Locations

5 - Connectors for Oxygen Sensors

6 - Oxygen Sensor (O2S) Behind Three Way Catalytic Converter (TWC) -G130- => [ Oxygen Sensors ] Locations

7 - Heated Oxygen Sensor (HO2S) 2 -G108- => [ Oxygen Sensors ] Locations

8 - Oxygen Sensor (O2S) 2 Behind Three Way Catalytic Converter (TWC) -G131- => [ Oxygen Sensors ] Locations

9 - Motronic Engine Control Module (ECM) -J220-

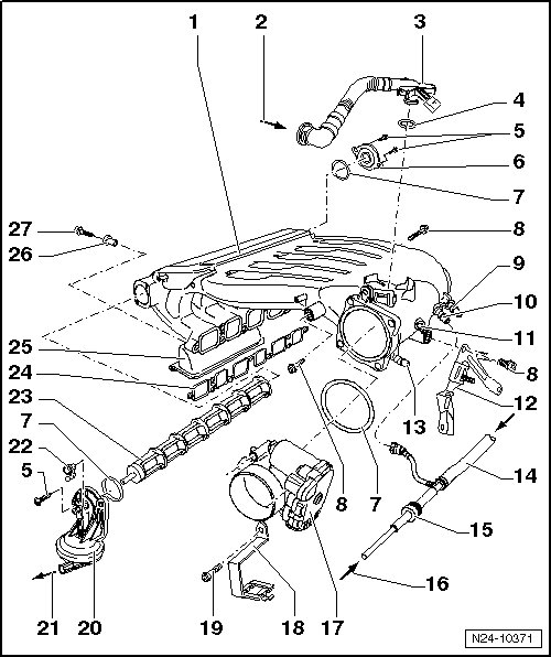
10 - Positive Crankcase Ventilation (PCV) Heating Element -N79- => [ Intake Manifold Assembly Overview ] See Image Below.

11 - Throttle Valve Control Module -J338- => [ Intake Manifold Assembly Overview ] See Image Below.
The Throttle Valve Control Module -J338- is
integrated with the following:
Throttle Drive (for Electronic Power Control (EPC)) -G186-

Throttle Drive Angle Sensor 1 (for Electronic Power Control (EPC) -G187-

Throttle Drive Angle Sensor 2 (for Electronic Power Control (EPC) -G188-


3.2L BUB and CBRA Overview continued





12 - Connectors for Heated Oxygen Sensors

13 - Mass Air Flow (MAF) Sensor -G70- and Intake Air Temperature (IAT) Sensor -G42- => [ Air Filter Assembly Overview ] See Image Below. - integrated

15 - Throttle Position (TP) Sensor -G79- and Accelerator Pedal Position Sensor 2 -G185- => [ Accelerator Pedal Module Assembly Overview ] Locations

17 - Secondary Air Injection Sensor 1 -G609- => [ Secondary Air Injection System Components Overview ] See Image Below.

21 - Camshaft Position (CMP) Sensor 2 -G163- => [ Cylinder Head and Cover Assembly Overview ] See Image Below.

22 - Camshaft Adjustment Valve 1 (exhaust) -N318- => [ Cylinder Head and Cover Assembly Overview ] See Image Below.

23 - Camshaft Adjustment Valve 1 -N205- => [ Cylinder Head and Cover Assembly Overview ] See Image Below.

24 - Camshaft Position (CMP) Sensor -G40- => [ Cylinder Head and Cover Assembly Overview ] See Image Below.

25 - Engine Coolant Temperature (ECT) Sensor -G62- => [ Coolant Thermostat Housing Assembly Overview ] See Image Below.

26 - Engine Speed (RPM) Sensor -G28- => [ Cylinder Block and Components Assembly Overview ] See Image Below.

27 - Actuator for Intake manifold change-over

28 - Secondary Air Injection (AIR) Pump Motor -V101- => [ Secondary Air Injection System Components Overview ] See Image Below.


Cylinder Block and Components Assembly
Overview







7 - Knock Sensor 1 -G61-
15 - Knock Sensor 2 -G66-
22 - Oil Level Thermal Sensor -G266-
29 - Engine Speed (RPM) Sensor -G28-

EVAP System Overview






8 - Leak Detection Pump (LDP) -V144-
- Located behind the right rear wheel
10 - Evaporative Emission (EVAP) canister
- Located at the bottom of the spare wheel well
13 - Exhaust Flap Valve 1 -N321-
15 - Intake manifold
16 - Evaporative Emission (EVAP) Canister Purge Regulator Valve 1 -N80-

Intake Manifold Assembly Overview






1 - Intake manifold
2 - Positive Crankcase Ventilation (PCV) Heating Element -N79-
- With the Positive Crankcase Ventilation (PCV) heating element
16 - Exhaust Flap Valve 1 -N321-
17 - Throttle Valve Control Module -J338-
Integrated with the following:
Throttle Drive (for Electronic Power Control (EPC)) -G186-

Throttle Drive Angle Sensor 1 (for Electronic Power Control (EPC) -G187-

Throttle Drive Angle Sensor 2 (for Electronic Power Control (EPC) -G188-

21 - Intake Manifold Tuning (IMT) Valve -N156-

Air Filter Assembly Overview






4 - Housing
- For the Mass Air Flow (MAF) sensor
6 - Mass Air Flow (MAF) Sensor -G70- and Intake Air Temperature (IAT) Sensor -G42- -integrated

Secondary Air Injection System
Components Overview







1 - Secondary Air Injection (AIR) Solenoid Valve -N112-
- Engine Code CBRA shown
11 - Secondary Air Injection (AIR) Solenoid Valve 2 -N320-
- Engine Code CBRA shown
15 - Secondary Air Injection Sensor 1 -G609-
- Engine Code CBRA shown
21 - Secondary Air Injection (AIR) Pump Motor -V101-
- Engine Code CBRA shown

Cylinder Head and Cover Assembly
Overview







11 - Camshaft Adjustment Valve 1 -N205-
12 - Camshaft Adjustment Valve 1 (exhaust) -N318-
14 - Camshaft Position (CMP) Sensor 2 -G163-
21 - Camshaft Position (CMP) Sensor -G40-

Coolant Thermostat Housing Assembly
Overview







3 - Coolant thermostat housing
10 - Engine Coolant Temperature (ECT) Sensor -G62-

Oil Filter Bracket Assembly Overview






2 - Oil Pressure Switch -F1-
3 - Oil filter bracket

Ignition System Components Overview






1 - Ignition Coil 1 with Power Output Stage -N70-
The following ignition coils are similar
Ignition Coil 2 with Power Output Stage -N127-

Ignition Coil 3 with Power Output Stage -N291-

Ignition Coil 4 with Power Output Stage -N292-

Ignition Coil 5 with Power Output Stage -N323-

Ignition Coil 6 with Power Output Stage -N324-

6 - Knock Sensor 1 -G61-
11 - Camshaft Position (CMP) Sensor 2 -G163-
14 - Camshaft Position (CMP) Sensor -G40-
15 - Knock Sensor 2 -G66-

Battery Interrupt Igniter






3 - Battery Interrupt Igniter -N253-

Fuel Rail Assembly Overview






3 - Fuel rail
4 - Cylinder 6 Fuel Injector -N84-
Cylinder 1 Fuel Injector -N30-

Cylinder 2 Fuel Injector -N31-

Cylinder 3 Fuel Injector -N32-

Cylinder 4 Fuel Injector -N33-

Cylinder 5 Fuel Injector -N83-