Curiosii for ever!: Car repair manuals for everyone.

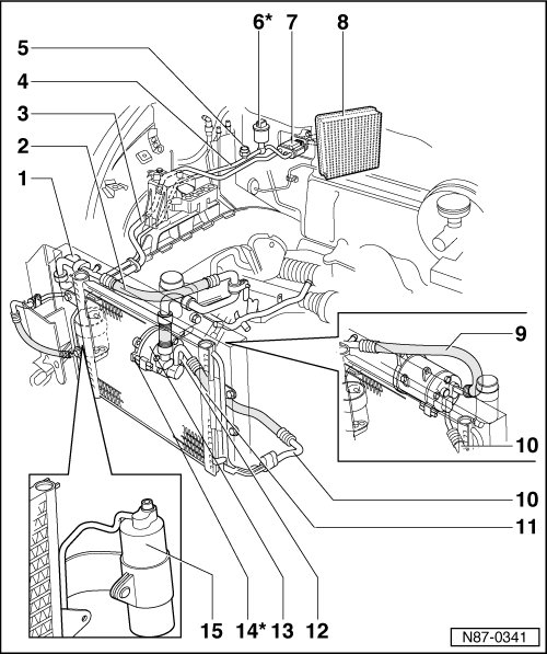
A/C Refrigerant System Controls Component Overview






A/C Refrigerant System Controls Component Overview

Before carrying out any work on the A/C refrigerant system, refer to A/C refrigerant system safety measures => [ Safety Precautions ] Safety Precautions.

Except where indicated with all system components illustrated must only be serviced or replaced after discharging refrigerant system.





1 Damper

2 Refrigerant hose

3 Refrigerant pipe

4 Refrigerant pipe

From receiver drier to expansion valve

5 High pressure service valve

Only use Kent Moore ACR4 or equivalent

6 A/C Pressure Switch (F129) (4-Pin) or High Pressure Sensor (G65) (3-Pin)*

Depending on engine type, refrigerant systems have either an A/C Pressure Switch (F129) or High Pressure Sensor (G65) installed. Refer to appropriate wiring diagram.

A/C Pressure Switch (F129), checking => [ A/C Pressure Switch, Checking ] A/C Pressure Switch, Checking

High Pressure Sensor (G65), function => [ High Pressure Sensor, Function ] High Pressure Sensor, Function, multi-pin connector assignments => [ High Pressure Sensor, Multi-Pin Connector Assignments ] High Pressure Sensor, Multi-Pin Connector Assignments, electrical checks => [ High Pressure Sensor, Electrical Testing ] High Pressure Sensor, Electrical Testing.

Removing and installing => [ A/C Pressure Switch and High Pressure Sensor ] Service and Repair

Component can be removed without discharging refrigerant system

7 Expansion valve

8 Evaporator

In heater/evaporator unit

Removing => [ Heater/Evaporator Unit ] Heater / Evaporator Unit, heater/evaporator unit, assembly

9 Refrigerant hose

10 Refrigerant hose

From compressor to condenser

11 Condenser

Removing and installing => [ Condenser ] Service and Repair

12 Pressure relief valve

On compressor

Checking => [ Pressure Relief Valve, Checking ] Pressure Relief Valve, Checking

13 Compressor

14 A/C Clutch (N25)

Clutch assembly can be serviced without discharging refrigerant system.

Servicing => [ A/C Clutch, Sanden Assembly Overview ] A/C Clutch, Sanden Assembly Overview.

15 Receiver drier