Control Module and Hydraulic Unit
Control Module and Hydraulic Unit
Special tools, testers and auxiliary items required
• Torque Wrench (V.A.G 1331)
• Torque Wrench (V.A.G 1410)
• Brake Pedal Actuator (V.A.G 1869/2)
Plug (1H0 698 311 A)
After separating the control module from the hydraulic unit, always install transport protection on the hydraulic unit for the valve domes.
Warranties will not be granted for hydraulic units without transport protection.
1 Transport protection for valve domes (foam)
2 Sealing plugs M10
3 Sealing plugs M12
Removing
Component location:
The control module is bolted to the hydraulic unit and is located at right in the engine compartment.
Do not bend the brake lines near the hydraulic unit.
- Read and note the present control module coding.
- Disconnect the battery.
- Remove engine cover.
1.9L Diesel Engine:
- Disconnect connection hose to intake connection.
- Remove Intake Flap Motor (V157).
2.0L Diesel Engine:
- Remove connecting pipe between intake hose and turbocharger.
- Remove upper part of toothed belt cover.
All Vehicles
- Disengage connector from control module in - direction of arrow 1 - and disconnect in - direction of arrow 2 -.
- Install (V.A.G 1869/2).
- Attach bleeder hose of bleeder bottles to left-front and left-rear brake caliper bleeder valves and open bleeder valves.
- Operate brake pedal using (V.A.G 1869/2) at least 60 mm.
- Close left front and left rear bleeder valves.
Do not remove (V.A.G 1869/2).
- Place sufficient lint-free cloths under the control module and hydraulic unit.
Make sure that brake fluid does not come in contact with the terminals.
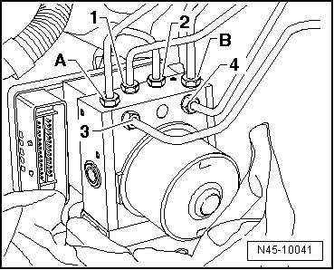
- First mark both brake lines of master brake cylinder - A - and - B - and unscrew from hydraulic unit.
- Seal brake lines and threaded holes immediately with Sealing plugs (1H0 698 311 A).
- Mark brake lines (brake caliper) - 1 - to - 4 -, unscrew and seal.
- Pull hydraulic unit with control module upward out of shock absorbers in - direction of arrow -.
Removing the Control Module from Hydraulic Unit
- Set hydraulic unit with control module upward onto a clean, level surface.
- Remove inner Torx bolts - arrows -.
- Pull off control module from hydraulic unit in - direction of arrow - without canting.
- Carefully pull off all sealing rings from valve domes of hydraulic unit.
• On a disconnected control module, circuit board is laid open.
• No moisture or particles of dirt must penetrate in interior of control module.
• The hydraulic pump must not be separated from the hydraulic unit.
• Avoid build-up of static electricity!
- Cover control module magnetic coils with a lint free cloth.
After separating the control module and hydraulic unit, use transport protection for valve body.
Installing the New Control Module
Excessive shaking (e.g. dropping, impact) may destroy the control module. Control module must then no longer be used.
• Surface must be cleaned before assembling.
- Slide all sealing rings - A - slightly over the valve dome.
- Place control module without canting it onto hydraulic unit.
Sealing rings are then brought into their end position.
- Bolt hydraulic unit and control module with new inner Torx bolts supplied.
• A new control module may be assembled on an already used hydraulic unit twice at maximum in order to guarantee the seal of the elastic gasket.
• A control module which was once in driving operation must not be installed a second time.
Installing
• Do not remove sealing plugs at new hydraulic unit until the corresponding brake line is about to be installed.
• If the sealing plugs are removed too early, brake fluid can escape. If this occurs, unit may not be sufficiently filled or adequately bled.
• When installing, make sure that rubber installation pieces are not pressed out of console.
- Installation is performed in the reverse order of removal.
- Remove (V.A.G 1869/2).
- Bleed brake system. Refer to => [ Brake System, Bleeding with Brake Filler/Bleeder Unit VAS 5234 or VAG 1869 ] Brake System, Bleeding with Brake Filler/Bleeder Unit VAS 5234 or VAG 1869.
- Connect the battery.
- Code ABS Control Module (J104) using "Guided Fault Finding".
Tightening Specifications