Curiosii for ever!
: Car repair manuals for everyone.
Home
>>
Volkswagen
>>
2006
>>
GTI (1J1) L4-1.8L Turbo (AWP)
>>
Repair and Diagnosis
>>
Specifications
>>
Mechanical Specifications
>>
Engine
>>
Engine Mount
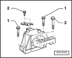
Engine Mount
Assembly mounting
Torque specifications
Engine mounting
Engine mounting:
Transmission assembly mounting
Transmission assembly mounting:
Pendulum supports
Pendulum supports: