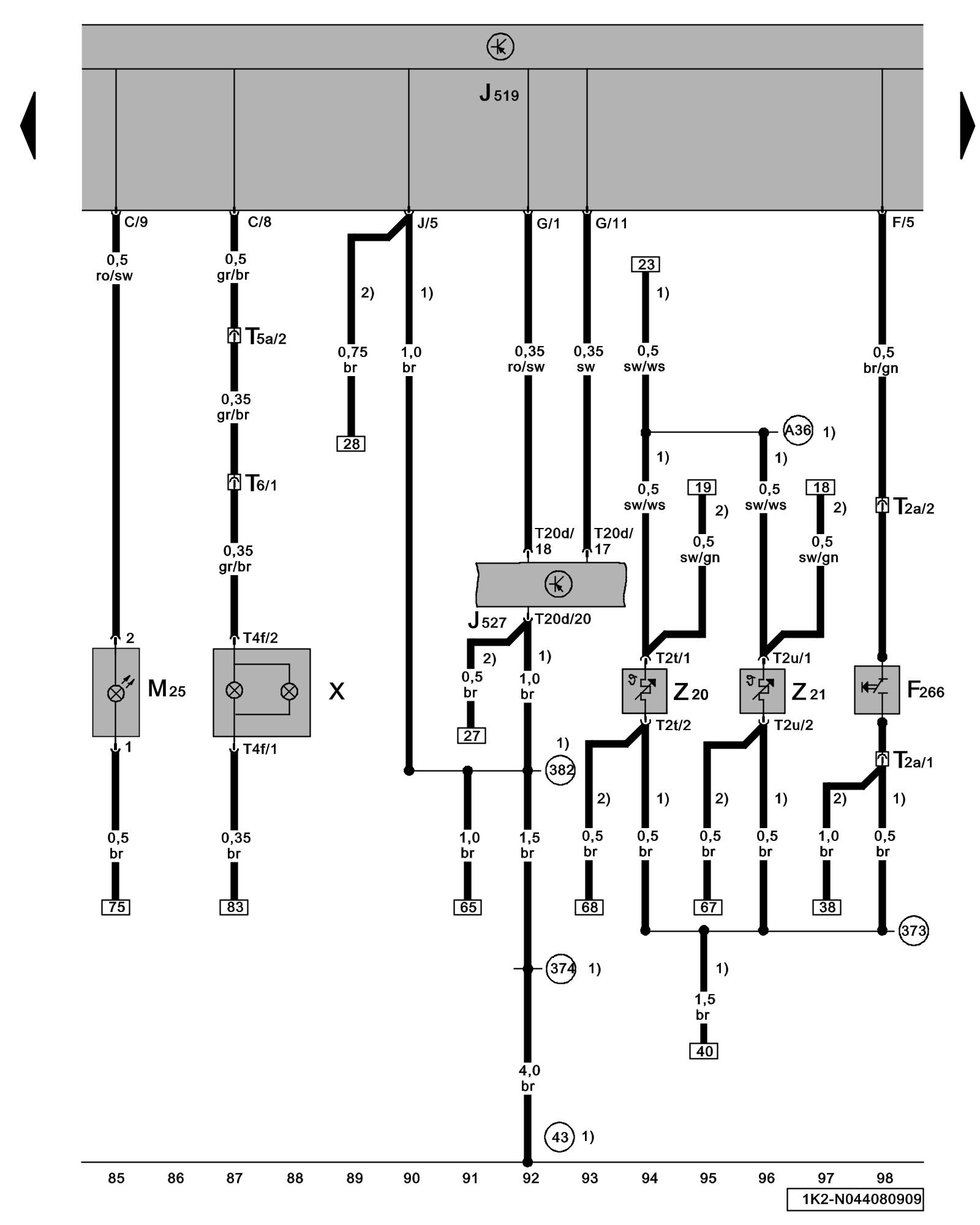
Diagram 44/8 (Tracks 85-98)
IMPORTANT NOTE:
This manufacturer uses "Track" style wiring diagrams.
For information on how to use these diagrams effectively, please refer to Diagram Information and Instructions. Diagram Information and Instructions
Front Hood Switch, Vehicle Electrical System Control Module, Steering Column Electronic Systems Control Module, High-mount Brake Light, Left Washer Nozzle Heater, Right Washer Nozzle Heater
ws = white
sw = black
ro = red
br = brown
gn = green
bl = blue
gr = grey
li = lilac
ge = yellow
or = orange
rs = pink
F266 - Front Hood Switch Central Locking / Anti-Theft Systems
J519 - Vehicle Electrical System Control Module Component Locations Locations
J527 - Steering Column Electronic Systems Control Module Component Locations Locations
M25 - High-mount Brake Light
T2a - Double Connector
T2t - Double Connector, at Z20
T2u - Double Connector, at Z21
T4f - 4-Pin Connector
T5a - 5-Pin Connector
T6 - 6-Pin Connector
T20d - 20-Pin Connector, at J527
Z20 - Left Washer Nozzle Heater
Z21 - Right Washer Nozzle Heater
X - License Plate Light
(43) - Ground Connection (on right lower A-pillar)
(373) - Ground Connection 8 (in main wiring harness)
(374) - Ground Connection 9 (in main wiring harness)
(382) - Ground Connection 17 (in main wiring harness)
(A36) - Connection (75a), in instrument panel wiring harness
1) - Through June 2007
2) - From July 2007
Previous Diagram 44/7 (Tracks 71-84)
Next Diagram 44/9 (Tracks 99-112)