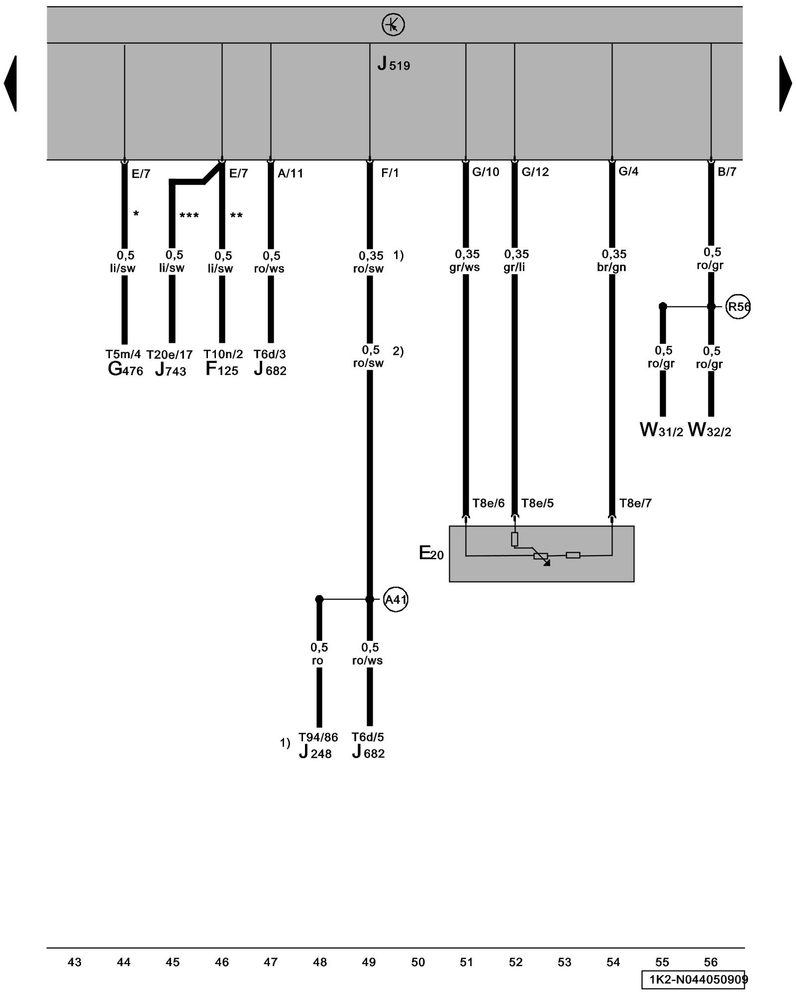
Diagram 44/5 (Tracks 43-56)
IMPORTANT NOTE:
This manufacturer uses "Track" style wiring diagrams.
For information on how to use these diagrams effectively, please refer to Diagram Information and Instructions. Diagram Information and Instructions
Instrument Panel Illumination Dimmer Switch, Vehicle Electrical System Control Module
ws = white
sw = black
ro = red
br = brown
gn = green
bl = blue
gr = grey
li = lilac
ge = yellow
or = orange
rs = pink
E20 - Instrument Panel Illumination Dimmer Switch
F125 - Multi-Function Transmission Range (TR) Switch Automatic Transmission 09G
G476 - Clutch Position Sensor
J248 - Diesel Direct Fuel Injection (DFI) Engine Control Module (ECM)
J519 - Vehicle Electrical System Control Module Component Locations Locations
J682 - Power Supply Relay (terminal 50) Locations
J743 - Direct Shift Gearbox (DSG) Mechatronic
T6d - 6-Pin Connector
T5m - 5-Pin Connector
T8e - 8-Pin Connector
T10n - 10-Pin Connector
T20e - 20-Pin Connector
T94 - 94-Pin Connector
W31 - Left Front Entry Light
W32 - Right Front Entry Light
(A41) - Plus Connection (50) (in instrument panel wiring harness)
(R56) - Courtesy Light Connection (in driver's door wiring harness)
* - Vehicle with Manual Transmission, only
** - Vehicles with Automatic Transmission, 6-speed with Tiptronic, only
*** - Vehicles with Direct Shift Automatic Transmission (DSG) 02E, only
1) - Through June 2007
2) - From July 2007
Previous Diagram 44/4 (Tracks 29-42)
Next Diagram 44/6 (Tracks 57-70)