Curiosii for ever!: Car repair manuals for everyone.

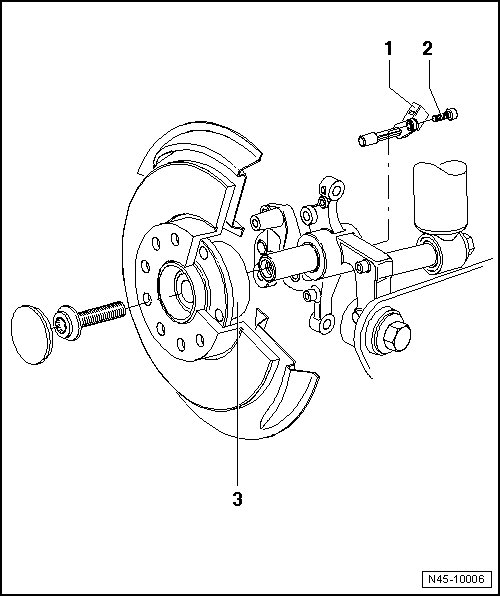
Rear ABS Components Assembly Overview, FWD






Rear ABS Components Assembly Overview, FWD






1 ABS Wheel Speed Sensor

Before inserting sensor, clean inner surface of bore hole and coat with hot bolt paste (G 052 112 A3).

Removal and installation, refer to => [ Rear Wheel Speed Sensor, FWD ] Rear Wheel Speed Sensor, FWD.

2 Bolt, 8 Nm

3 Wheel Bearing and Wheel Hub Unit

The ABS sensor ring is installed in the wheel bearing.